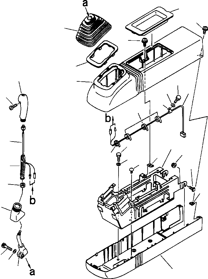
Запчасти Komatsu PC400LC-6LC FIG NO. K-A ПРАВ. СТОЙКА РЫЧАГ И COVER, РЫЧАГ С КЛАПАНОМ PPC КАБИНА ОПЕРАТОРА И СИСТЕМА УПРАВЛЕНИЯ

Схема запчастей Komatsu PC400LC-6LC - FIG NO. K-A ПРАВ. СТОЙКА РЫЧАГ И COVER, РЫЧАГ С КЛАПАНОМ PPC КАБИНА ОПЕРАТОРА И СИСТЕМА УПРАВЛЕНИЯ
12
11
6
11
5
1
10
15
13
16
2
14
17
4
19
24
23
22
17
25
20
21
3
9
22
8
26
27
7
18
FIT
1:1
100%

Артикул

Название

Примечание

Количество

|$0

20Y-43-22790

LEVER ASSEMBLY, R.H

1

20Y-43-22241

KNOB ASSEMBLY

2

01370-10308

SCREW

|$3

20Y-43-22390

KNOB, R.H

3

20Y-43-22420

INSERT

4

20Y-43-22440

SWITCH, R.H

5

20Y-43-22250

PLATE

6

20Y-43-22261

BOOT

7

20Y-43-22820

LEVER, R.H

8

20Y-43-22830

BOOT

9

600-411-1280

NUT

10

20Y-43-22121

CASE

11

20Y-43-16590

SCREW

12

20Y-43-22860

COVER, R.H

13

20Y-06-21350

HARNESS, WIRING

14

424-06-12850

CLIP

15

01010-50820

BOLT

16

01643-30823

WASHER

17

08034-00519

BAND

|$19

20Y-43-21651

COVER ASSEMBLY

18

20Y-43-22111

CASE

19

20Y-43-22131

FRAME

20

20Y-43-22310

CLIP

21

20Y-43-22470

BOLT

22

20Y-43-22480

SPRING

23

198-911-5530

NUT

24

01010-51030

BOLT

25

01643-31032

WASHER

26

01252-41025

BOLT

27

01643-51032

WASHER

Выбрано товаров: 0