Запчасти Komatsu PC400LC-6LC МАСЛ. УПРАВЛЯЮЩ. КЛАПАН ТРУБЫ ДВИГАТЕЛЬ

Схема запчастей Komatsu PC400LC-6LC - МАСЛ. УПРАВЛЯЮЩ. КЛАПАН ТРУБЫ ДВИГАТЕЛЬ
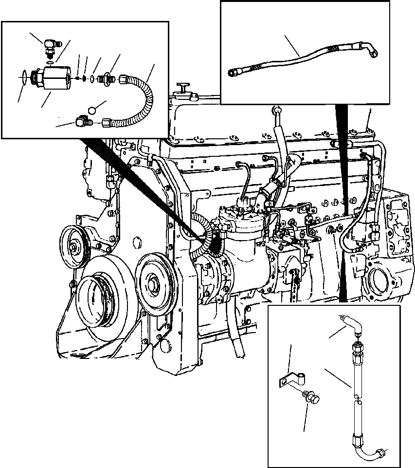
1
13
14
8
6
7
9
10
12
5
4
11
15
2
3
16
FIT
1:1
100%

Артикул

Название

Примечание

Количество

1

1307 065 H1

HOSE, FLEXIBLE

2

1294 210 H1

CONNECTOR, MALE

3

1307 002 H1

HOSE, FLEXIBLE

|$3

1310 692 H91

KIT, VISCOSITY SENSOR

|$4

1310 693 H91

ASSEMBLY, VISCOSITY SENSOR

4

NSS

HOUSING, VISCOSITY SENSOR

5

6735-21-4160

O-RING

6

1310 694 H1

PLUG, INJECTOR ORIFICE

7

1307 008 H1

SCREEN, FILTER

8

1310 695 H91

UNION, MALE

9

1246 119 H1

O-RING

10

1310 696 H1

HOSE, FLEXIBLE

11

1310 697 H91

ELBOW, MALE UNION

12

1246 119 H1

O-RING

13

1241 481 H1

ELBOW, MALE UNION

14

1296 846 H1

O-RING

15

1310 935 H1

CLIP

16

1246 161 H1

BOLT (M10x1.50x25)

Выбрано товаров: 18