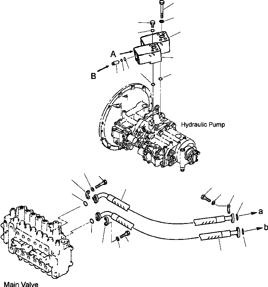
Запчасти Komatsu PC400LC-6LK FIG. H-AA ГИДРОЛИНИЯ - ЛИНИЯ ПОДАЧИ ГИДРАВЛИКА

Схема запчастей Komatsu PC400LC-6LK - FIG. H-AA ГИДРОЛИНИЯ - ЛИНИЯ ПОДАЧИ ГИДРАВЛИКА
7
8
5
1
6
1
9
4
9
3
2
16
15
14
15
10
16
14
11
11
13
18
17
13
19
12
FIT
1:1
100%

Артикул

Название

Примечание

Количество

1

207-60-A1110

FILTER ASSEMBLY

2

20Y-60-A1260

ELEMENT

3

20Y-60-A1250

RING, BACKING

4

386 422 R1

O-RING

5

07040-11409

PLUG

6

07002-11423

O-RING

7

01010-81020

BOLT

8

01643-31032

WASHER

9

07000-13035

O-RING

10

208-62-61132

HOSE

11

07000-13032

O-RING

12

207-62-A1230

HOSE

13

07000-13032

O-RING

14

07371-31049

FLANGE, SPLIT

15

07372-21035

BOLT

16

01643-51032

WASHER

17

07371-31049

FLANGE, SPLIT

18

07372-21035

BOLT

19

01643-51032

WASHER

Выбрано товаров: 0