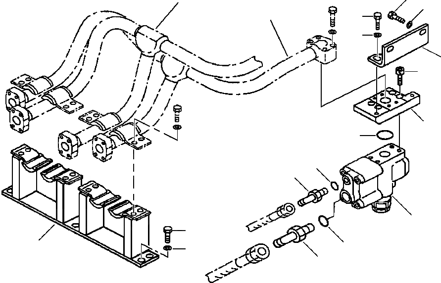
Запчасти Komatsu PC400LC-6LK FIG. H-AA ГИДРОЛИНИЯ - ПРЕДОТВРАЩЕНИЕ СМЕЩЕНИЮ БЛОК - БЛОКИР. СТРЕЛЫ КЛАПАН ГИДРАВЛИКА

Схема запчастей Komatsu PC400LC-6LK - FIG. H-AA ГИДРОЛИНИЯ - ПРЕДОТВРАЩЕНИЕ СМЕЩЕНИЮ БЛОК - БЛОКИР. СТРЕЛЫ КЛАПАН ГИДРАВЛИКА
3
5
3
16
17
4
2
7
6
8
15
14
1
10
9
13
11
12
FIT
1:1
100%

Артикул

Название

Примечание

Количество

1

702-21-04601

VALVE ASSEMBLY, LOCK

2

207-62-61860

BRACKET

3

01010-81230

BOLT

4

01643-31232

WASHER

5

175-54-34170

WASHER

6

207-62-61870

FLANGE

7

01252-71035

BOLT

8

07000-13035

O-RING

9

207-62-61850

BRACKET

10

01010-81230

BOLT

11

01643-31232

WASHER

12

07235-10522

ELBOW

13

07002-12434

O-RING

14

07235-10311

ELBOW

15

07002-11423

O-RING

Выбрано товаров: 0