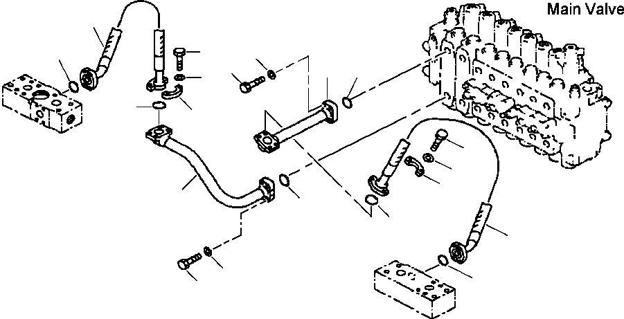
Запчасти Komatsu PC400LC-6LK FIG. H7-A ГИДРОЛИНИЯ - НАВЕСНОЕ ОБОРУД-Е - КЛАПАН ГИДРАВЛИКА

Схема запчастей Komatsu PC400LC-6LK - FIG. H7-A ГИДРОЛИНИЯ - НАВЕСНОЕ ОБОРУД-Е - КЛАПАН ГИДРАВЛИКА
14
17
4
15
3
2
1
18
15
16
12
20
13
11
5
6
10
9
8
10
7
19
FIT
1:1
100%

Артикул

Название

Примечание

Количество

1

207-970-6240

TUBE

2

07000-13035

O-RING

3

07372-21040

BOLT

4

01643-51032

WASHER

5

207-970-6250

TUBE

6

07000-13035

O-RING

7

07372-21040

BOLT

8

01643-51032

WASHER

9

21T-62-12140

HOSE

10

07000-13032

O-RING

11

07371-31049

FLANGE

12

07372-21035

BOLT

13

01643-51032

WASHER

14

21T-62-12140

HOSE

15

07000-13032

O-RING

16

07371-31049

FLANGE

17

07372-21035

BOLT

18

01643-51032

WASHER

Выбрано товаров: 0