Запчасти Komatsu PC400LC-6LK FIG. K-A ЛЕВ. СТОЙКА, РЫЧАГ И КРЫШКА- РАБОЧ. РЫЧАГ W/КЛАПАН PPC( TOUCH DIGGING POWER UP) (W/ АВТОМАТИЧ. DECEL.) КАБИНА ОПЕРАТОРА И СИСТЕМА УПРАВЛЕНИЯ

Схема запчастей Komatsu PC400LC-6LK - FIG. K-A ЛЕВ. СТОЙКА, РЫЧАГ И КРЫШКА- РАБОЧ. РЫЧАГ W/КЛАПАН PPC( TOUCH DIGGING POWER UP) (W/ АВТОМАТИЧ. DECEL.) КАБИНА ОПЕРАТОРА И СИСТЕМА УПРАВЛЕНИЯ
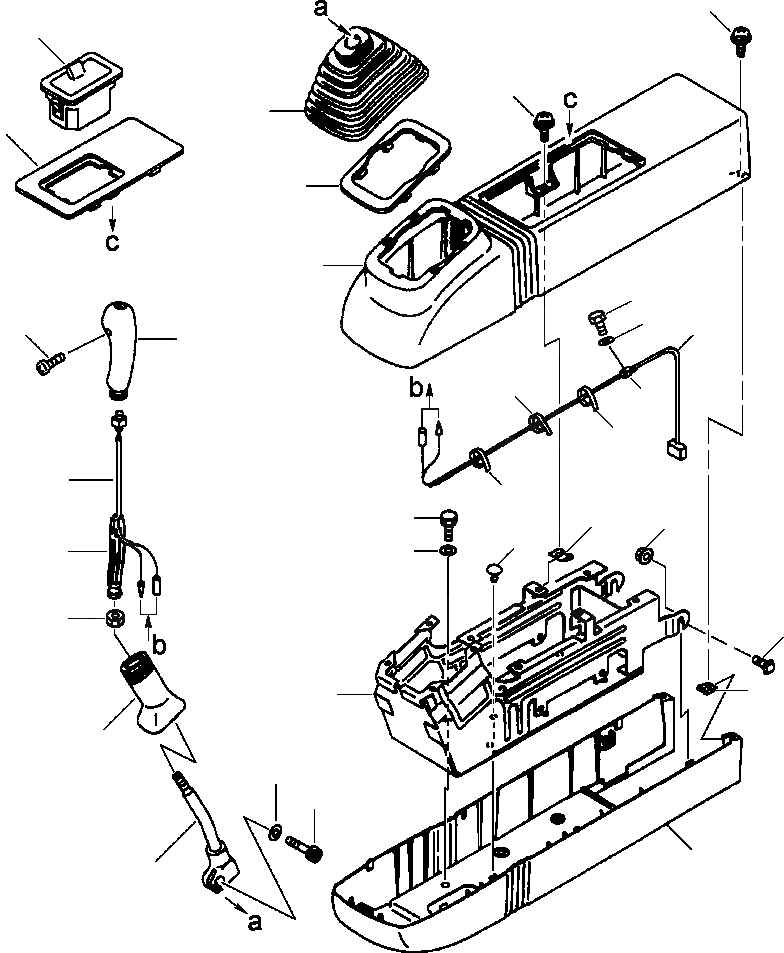
11
13
11
6
12
5
10
16
17
2
14
1
18
15
18
4
18
25
23
24
21
26
3
9
22
23
20
8
28
27
19
7
FIT
1:1
100%

Артикул

Название

Примечание

Количество

|$0

20Y-43-22781

LEVER ASSEMBLY, LH

1

20Y-43-22233

LEVER, LH

2

01370-10308

SCREW

|$3

NSS

KNOB, LH

|$4

20Y-43-00010

SWITCH ASSEMBLY

3

20Y-43-22421

INSERT

4

20Y-43-22441

SWITCH, LH

5

20Y-43-22250

PLATE

6

20Y-43-22261

BOOT

7

20Y-43-22810

LEVER, LH

8

20Y-43-22830

BOOT

9

600-411-1280

NUT

10

20Y-43-22121

CASE

11

20Y-43-16490

SCREW

|$14

20Y-43-22451

COVER ASSEMBLY, LH

12

20Y-43-22152

COVER, LH

13

20Y-06-21751

ASH TRAY

14

20Y-06-21350

HARNESS, LEFT STAND

15

04434-51408

CLIP

16

01010-50820

BOLT

17

01643-30823

WASHER

18

08034-00519

STRAP, TIE

|$22

20Y-43-21651

COVER ASSEMBLY

19

20Y-43-22111

CASE

20

20Y-43-22131

FRAME

21

20Y-43-22310

CLIP

22

20Y-43-22470

BOLT

23

20Y-43-22480

NUT, SPRING

24

198-911-5530

NUT

25

01010-81025

BOLT

26

01643-31032

WASHER

27

01252-41025

BOLT

28

01643-31032

WASHER

Выбрано товаров: 0