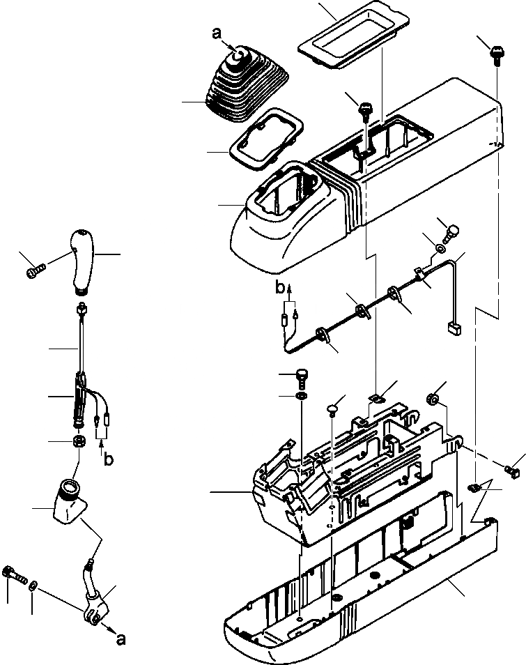
Запчасти Komatsu PC400LC-6LK FIG. K-A ПРАВ. СТОЙКА - РЫЧАГ С КЛАПАНОМ PPC КАБИНА ОПЕРАТОРА И СИСТЕМА УПРАВЛЕНИЯ

Схема запчастей Komatsu PC400LC-6LK - FIG. K-A ПРАВ. СТОЙКА - РЫЧАГ С КЛАПАНОМ PPC КАБИНА ОПЕРАТОРА И СИСТЕМА УПРАВЛЕНИЯ
12
11
11
6
5
10
15
16
2
13
1
17
14
17
4
17
24
22
23
20
25
3
9
21
22
19
8
7
18
26
27
FIT
1:1
100%

Артикул

Название

Примечание

Количество

|$0

20Y-43-21621

LEVER ASSEMBLY, RH

1

20Y-43-22241

LEVER, RH

2

01370-10308

SCREW

|$3

20Y-43-22390

KNOB, RH

|$4

20Y-43-00010

SWITCH ASSEMBLY

3

20Y-43-22421

INSERT

4

20Y-43-22441

SWITCH, LH

5

20Y-43-22250

PLATE

6

20Y-43-22261

BOOT

7

20Y-43-22221

LEVER, RH

8

20Y-43-22370

BOOT

9

600-411-1280

NUT

10

20Y-43-22121

CASE

11

20Y-43-16590

SCREW

12

20Y-43-22161

COVER, RH

13

20Y-06-21350

HARNESS, RIGHT STAND

14

04434-51408

CLIP

15

01010-50820

BOLT

16

01643-30823

WASHER

17

08034-00519

STRAP, TIE

|$20

20Y-43-21651

COVER ASSEMBLY

18

20Y-43-22111

CASE

19

20Y-43-22131

FRAME

20

20Y-43-22310

CLIP

21

20Y-43-22470

BOLT

22

20Y-43-22480

NUT, SPRING

23

198-911-5530

NUT

24

01010-81025

BOLT

25

01643-31032

WASHER

26

01252-41025

BOLT

27

01643-31032

WASHER

Выбрано товаров: 31