Запчасти Komatsu PC400LC-6LK FIG. B-A УПРАВЛ-Е ПОДАЧ. ТОПЛИВА - ЭЛЕКТРИЧ. РЕГУЛЯТОР КОМПОНЕНТЫ ДВИГАТЕЛЯ

Схема запчастей Komatsu PC400LC-6LK - FIG. B-A УПРАВЛ-Е ПОДАЧ. ТОПЛИВА - ЭЛЕКТРИЧ. РЕГУЛЯТОР КОМПОНЕНТЫ ДВИГАТЕЛЯ
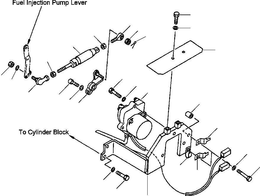
24
2
4
25
3
5
1
23
8
19
6
7
20
18
9
11
17
12
10
21
16
15
22
21
16
14
13
FIT
1:1
100%

Артикул

Название

Примечание

Количество

1

208-43-64110

SPRING ASSEMBLY

2

04252-21061

END

3

01582-11008

NUT

4

01593-31008

NUT

5

04050-12018

PIN, COTTER

6

01580-10605

NUT

7

01602-20619

WASHER

8

01582-11008

NUT

9

20Y-43-12180

JOINT

10

208-43-54140

LEVER

11

01010-81030

BOLT

12

01602-21030

WASHER

13

208-43-61110

BRACKET

14

01010-81025

BOLT

15

01010-81055

BOLT

16

01643-31032

WASHER

17

144-874-7470

SPACER

18

7834-40-2001

MOTOR ASSEMBLY

19

01010-81040

BOLT

20

01643-31032

WASHER

21

08053-01510

CLIP

22

04434-51512

CLIP

23

208-43-64121

PLATE

24

01010-81020

BOLT

25

01643-31032

WASHER

Выбрано товаров: 0