Качественные детали и логистика
Оригинальные и аналоговые запчасти с доставкой по России, Казахстану и Беларуси
©2022 PartSell ООО "Система" ИНН 2463123282 ОГРН 1212400004838
Центральный офис: г. Красноярск, Академика Киренского, д.87, пом.4
Телефон: 8 (800) 777-65-74 Email: zakaz@partsell.ru
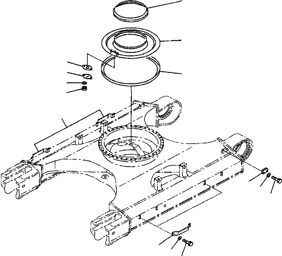
FIG NO. R-AA ГУСЕНИЧНАЯ РАМА
№
Артикул
Название
Примечание
Количество
1
205-30-71171
SEAL
2
208-30-61220
COVER
3
205-30-71181
4
205-30-71191
GASKET
5
01580-11008
NUT
6
01643-31032
WASHER
7
207-30-51260
8
208-30-61260
BRACKET
9
01010-81640
BOLT
10
01643-31645
11
207-30-52121
PLATE
12
01010-62070
13
01643-32060
Выбрано товаров: 0