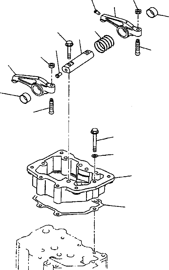
Запчасти Komatsu PC400LC-6LK РЫЧАГ КОРОМЫСЛА ДВИГАТЕЛЬ

Схема запчастей Komatsu PC400LC-6LK - РЫЧАГ КОРОМЫСЛА ДВИГАТЕЛЬ
13
10
9
11
16
17
14
15
12
8
5
6
7
3
4
1
2
FIT
1:1
100%

Артикул

Название

Примечание

Количество

1

6150-11-7110

HOUSING, ROCKER LEVER

2

6150-11-7812

GASKET

3

01437-01075

BOLT

4

01643-31032

WASHER

|$4

6150-41-5400

ARM ASSEMBLY

5

NSS

ARM, ROCKER

6

6150-41-5420

BUSHING

7

6150-41-5540

SCREW

8

01582-01008

NUT

|$9

6150-41-5500

ARM ASSEMBLY

9

NSS

ARM, ROCKER

10

6162-43-5340

RIVET

11

6150-41-5420

BUSHING

12

6150-41-5540

SCREW

13

01582-01008

NUT

|$15

6150-42-5300

ROCKER ARM SHAFT ASSEMBLY

14

NSS

SHAFT, ROCKER ARM

15

6710-41-5340

RIVET

16

6150-41-5320

SPRING

17

6150-81-9370

BOLT

Выбрано товаров: 20