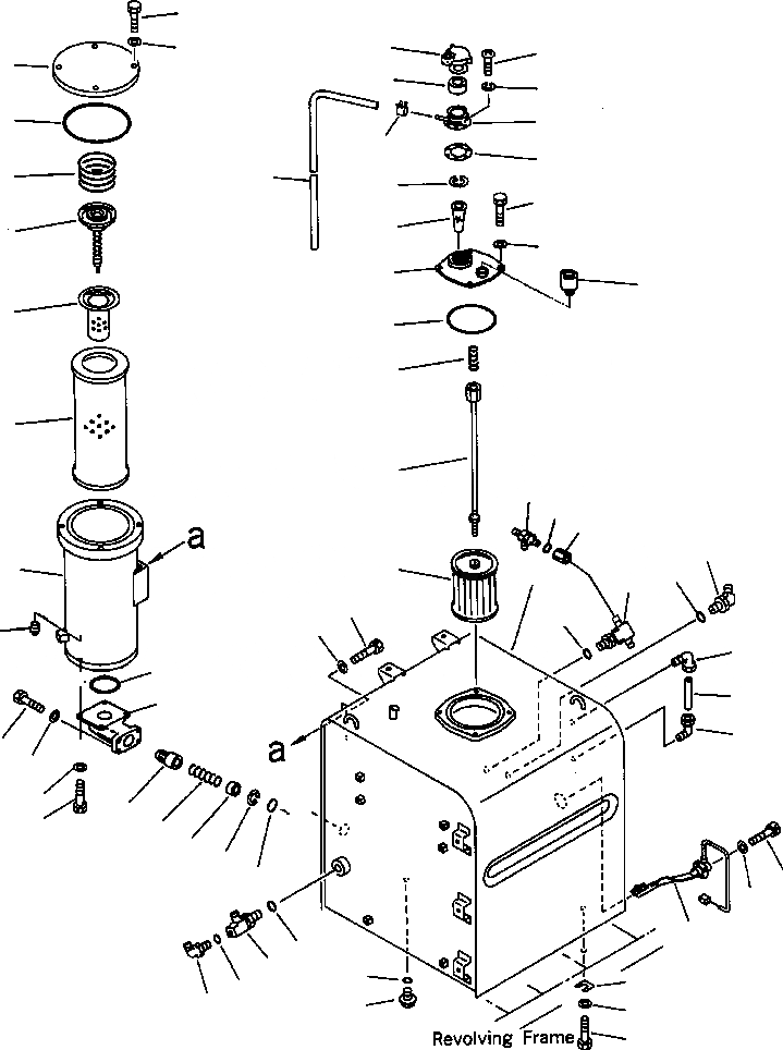
Запчасти Komatsu PC400LC-6LK FIG NO. H-AA ГИДР. БАК. ГИДРАВЛИКА

Схема запчастей Komatsu PC400LC-6LK - FIG NO. H-AA ГИДР. БАК. ГИДРАВЛИКА
33
13
34
17
31
14
18
32
15
22
16
35
21
20
8
19
36
9
6
26
37
7
11
38
10
62
63
61
57
58
30
12
1
59
48
60
49
43
3
47
2
44
3
51
52
46
39
45
40
42
41
50
24
25
23
54
53
5
29
56
4
28
55
27
FIT
1:1
100%

Артикул

Название

Примечание

Количество

|$0

208-60-00120

TANK ASSEMBLY, HYDRAULIC

1

208-60-61111

TANK

2

203-60-31160

TUBE

3

203-60-31100

ELBOW ASSEMBLY

4

07044-12412

PLUG

5

07002-12434

O-RING

6

208-60-61190

COVER

7

07000-15180

O-RING

8

01010-81225

BOLT

9

01643-31232

WASHER

|$10

207-06-61140

STRAINER ASSEMBLY

10

207-60-61150

ROD ASSEMBLY

11

12R-60-11230

SPRING

12

207-60-51200

STRAINER

13

17A-60-11310

CAP ASSEMBLY

14

20Y-60-21470

ELEMENT

15

20Y-60-21460

NECK

16

20Y-60-21340

GASKET

17

01220-40516

SCREW

18

01601-20513

WASHER

19

07056-10045

STRAINER

20

04065-04718

RING

21

07270-61512

TUBE

22

07285-00155

CLIP

23

7861-92-4210

SENSOR

24

01252-40612

BOLT

25

01641-20608

WASHER

26

424-U40-1120

BREATHER

27

01010-81635

BOLT

28

01643-31645

WASHER

29

195-03-11570

SHIM, 1.0MM

30

208-60-61310

CASE

31

208-60-61140

COVER

32

07000-15210

O-RING

33

01010-81235

BOLT

34

01643-31232

WASHER

35

12R-60-11390

SPRING

36

12R-60-11300

VALVE ASSEMBLY

37

206-60-41221

STRAINER

38

208-60-61180

ELEMENT

39

205-60-71230

POPPET

40

706-76-71190

SPRING

41

04065-05020

RING

42

207-60-51170

SPACER

43

07042-30211

PLUG

44

208-60-61320

BRACKET

45

01010-81030

BOLT

46

01643-31032

WASHER

47

07000-12095

O-RING

48

01010-81230

BOLT

49

01643-31232

WASHER

50

07000-12060

O-RING

51

01010-81245

BOLT

52

01643-31232

WASHER

53

207-62-62780

TEE

54

07002-12434

O-RING

55

07235-10522

ELBOW

56

07002-12434

O-RING

57

07236-11034

ELBOW

58

07002-13334

O-RING

59

209-62-27580

TEE

60

07002-12034

O-RING

61

20Y-62-21880

JOINT

62

209-62-57210

TEE

63

07002-12034

O-RING

Выбрано товаров: 65