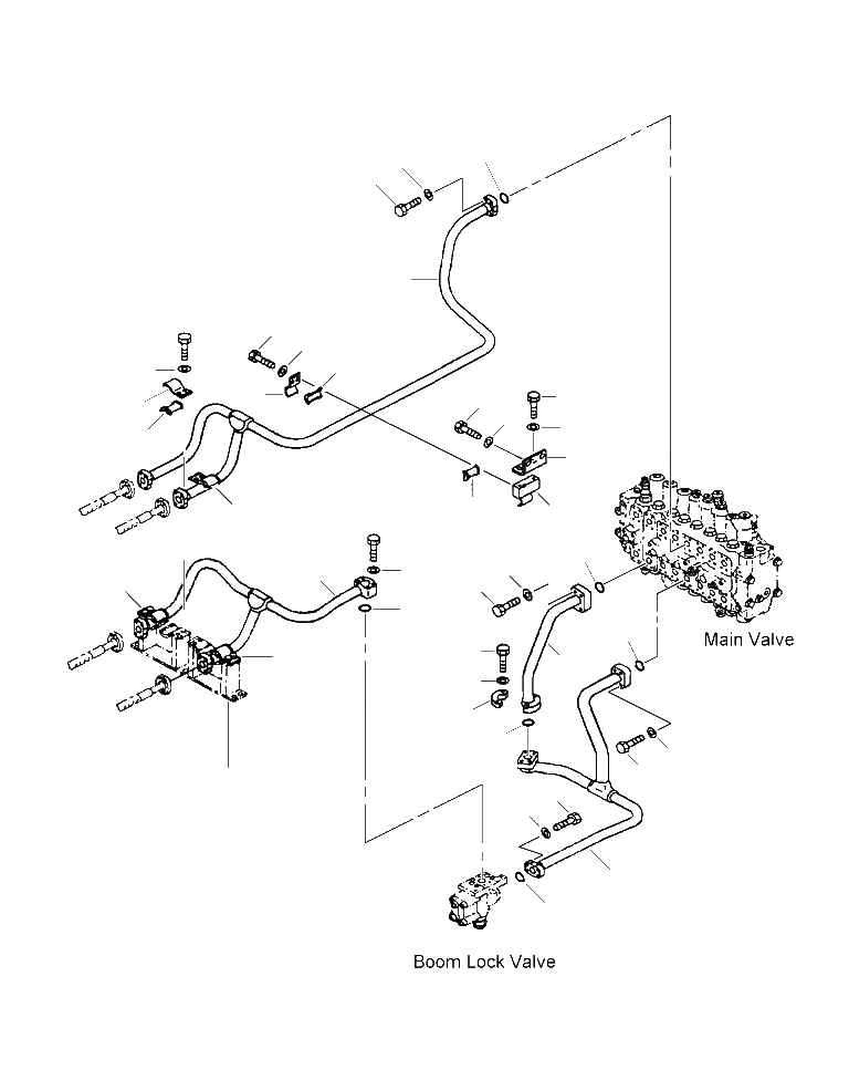
Запчасти Komatsu PC400LC-6LM FIG. H-AA ГИДРОЛИНИЯ - ГИДРОЛИНИЯ СТРЕЛЫ - КЛАПАН СТРЕЛЫ С ПРЕДОТВРАЩЕНИЕМ СМЕЩЕНИЯ ГИДРАВЛИКА

Схема запчастей Komatsu PC400LC-6LM - FIG. H-AA ГИДРОЛИНИЯ - ГИДРОЛИНИЯ СТРЕЛЫ - КЛАПАН СТРЕЛЫ С ПРЕДОТВРАЩЕНИЕМ СМЕЩЕНИЯ ГИДРАВЛИКА
26A
3
5
4
18
30
15
31
29
16
28
25
13
27
26
14
24
23
13
22
19
6
8
20
17
13
7
21
6
10
13
2
11
12
9
8
7
32
7
8
1
6
FIT
1:1
100%

Артикул

Название

Примечание

Количество

1

207-62-61412

TUBE

2

207-62-61422

TUBE

3

07000-13035

O-RING

4

07372-21040

BOLT

5

01643-51032

WASHER

6

07000-13035

O-RING

7

07372-21040

BOLT

8

01643-51032

WASHER

9

07000-13032

O-RING

10

07372-21035

BOLT

11

01643-51032

WASHER

12

07371-31049

FLANGE

13

207-62-52430

CLAMP

14

205-62-73430

SEAT

15

01010-81230

BOLT

16

01643-31232

WASHER

17

207-62-61840

TUBE

18

207-62-61880

TUBE

19

01010-81260

BOLT

20

01643-31032

WASHER

21

07000-13035

O-RING

22

207-62-61512

BRACKET

23

205-62-73430

SEAT

24

207-62-61940

BRACKET

25

01010-81230

BOLT

26

01643-31232

WASHER

26A

01010-81235

BOLT

27

175-54-34170

WASHER

28

207-62-52430

CLAMP

29

205-62-73430

SEAT

30

01010-81230

BOLT

31

01643-31232

WASHER

Выбрано товаров: 32