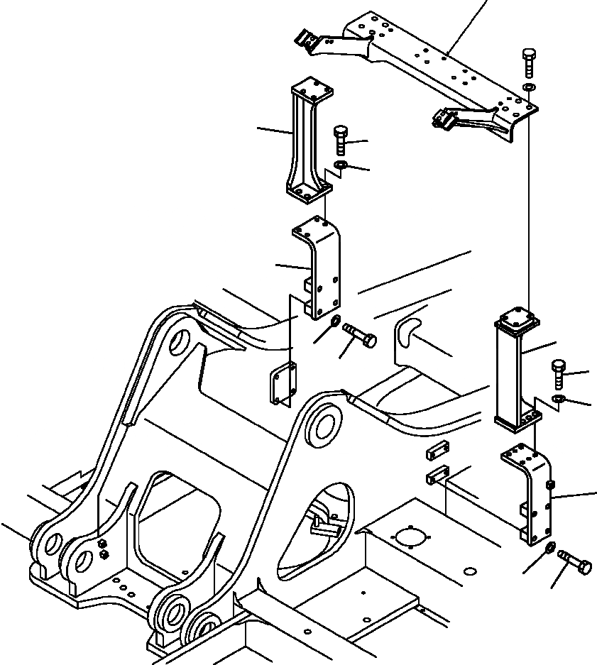
Запчасти Komatsu PC400LC-6LM FIG. H7-A ГИДРОЛИНИЯ - НАВЕСНОЕ ОБОРУД-Е КОРПУС КРЕПЛЕНИЕ ГИДРАВЛИКА

Схема запчастей Komatsu PC400LC-6LM - FIG. H7-A ГИДРОЛИНИЯ - НАВЕСНОЕ ОБОРУД-Е КОРПУС КРЕПЛЕНИЕ ГИДРАВЛИКА
13
10
11
12
7
4
9
8
5
6
1
3
2
FIT
1:1
100%

Артикул

Название

Примечание

Количество

1

207-970-6110

BRACKET

2

01010-81690

BOLT

3

01643-31645

WASHER

4

207-970-6120

BRACKET

5

01010-81650

BOLT

6

01643-31645

WASHER

7

207-970-6160

BRACKET

8

01010-81690

BOLT

9

01643-31645

WASHER

10

207-970-6140

BRACKET

11

01010-81650

BOLT

12

01643-31645

WASHER

Выбрано товаров: 12