Запчасти Komatsu PC400LC-6LM FIG. A-AB7A ГОЛОВКА ЦИЛИНДРОВ ДВИГАТЕЛЬ

Схема запчастей Komatsu PC400LC-6LM - FIG. A-AB7A ГОЛОВКА ЦИЛИНДРОВ ДВИГАТЕЛЬ
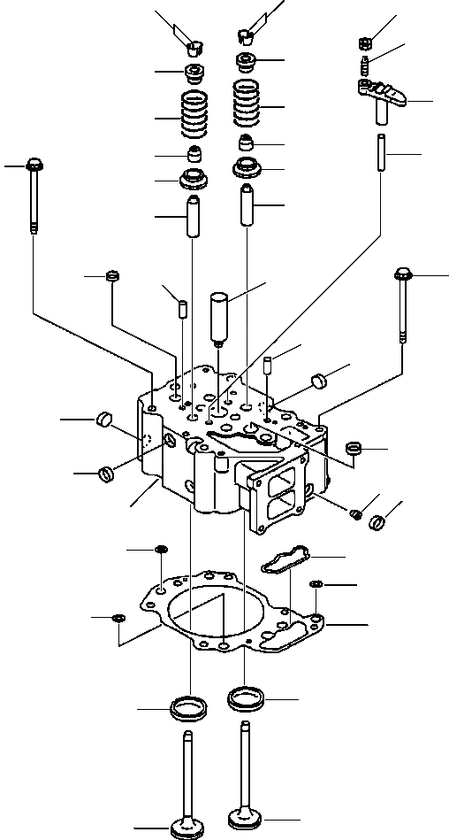
15
15
20
19
13
13
18
16
16
17
17
8
26
14
14
5
5
10
27
2
9
9
7
7
7
7
6
7
1
25
22
23
24
21
3
4
12
11
FIT
1:1
100%

Артикул

Название

Примечание

Количество

|$0

6151-12-1101

CYLINDER HEAD ASSEMBLY

1

NSS

HEAD, CYLINDER

2

6136-11-1130

SLEEVE

3

6150-11-1320

INSERT, EXHAUST VALVE

|$4

6150-19-1320

INSERT, EXHAUST VALVE (0.25MM OVERSIZE)

|$5

6150-18-1320

INSERT, EXHAUST VALVE (0.50MM OVERSIZE)

|$6

6150-17-1320

INSERT, EXHAUST VALVE (0.75MM OVERSIZE)

|$7

6150-16-1320

INSERT, EXHAUST VALVE (1.00MM OVERSIZE)

4

6151-11-1330

INSERT, INTAKE VALVE

|$9

6151-19-1330

INSERT, INTAKE VALVE (0.25MM OVERSIZE)

|$10

6151-18-1330

INSERT, INTAKE VALVE (0.50MM OVERSIZE)

|$11

6151-17-1330

INSERT, INTAKE VALVE (0.75MM OVERSIZE)

|$12

6151-16-1330

INSERT, INTAKE VALVE (1.00MM OVERSIZE)

5

6150-12-1370

GUIDE, VALVE

6

07043-70108

PLUG

7

6162-13-1150

PLUG

8

6150-11-1140

GUIDE

9

04020-00820

PIN, DOWEL

10

07046-41810

PLUG

11

6150-42-4110

VALVE, INTAKE

12

6150-42-4210

VALVE, EXHAUST

13

6150-41-4510

SEAT, UPPER

14

6150-41-4430

SEAT, LOWER

15

6136-42-4520

COTTER, VALVE

16

6150-41-4450

SPRING

17

6150-41-4570

SEAL, VALVE STEM

|$26

6150-42-5600

CROSSHEAD ASSEMBLY

18

6150-42-5610

CROSSHEAD

19

6150-41-5621

SCREW

20

6150-41-5630

NUT

21

6151-12-1810

GASKET, CYLINDER HEAD

22

NSS

GROMMET, OIL

23

NSS

GROMMET, OIL

24

NSS

GROMMET, WATER

25

NSS

GROMMET, WATER

26

6150-11-1610

BOLT

27

01438-01020

BOLT

Выбрано товаров: 0