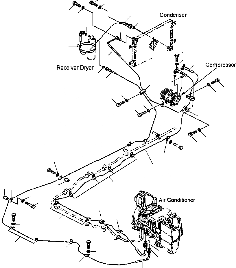
Запчасти Komatsu PC400LC-6LM FIG. K7-AA КОНДИЦ. - ЛИНИЯ ОХЛАЖДЕНИЯS КАБИНА ОПЕРАТОРА И СИСТЕМА УПРАВЛЕНИЯ

Схема запчастей Komatsu PC400LC-6LM - FIG. K7-AA КОНДИЦ. - ЛИНИЯ ОХЛАЖДЕНИЯS КАБИНА ОПЕРАТОРА И СИСТЕМА УПРАВЛЕНИЯ
49
50
10
49
50
12
11
8
10
46
47
48
7
7
3
6
37
4
9
29
39
38
30
28
33
32
34
40
31
36
35
27
41
24
1
26
21
42
20
25
23
22
44
45
18
19
43
14
17
15
16
2
5
13
4
FIT
1:1
100%

Артикул

Название

Примечание

Количество

1

208-979-6350

HOSE, AC TO COMPRESSOR

2

203-979-6420

O-RING

3

20Y-979-5660

O-RING

4

208-979-6470

HOSE, AC TO RECEIVER

5

203-979-6390

O-RING

6

208-979-6480

O-RING

7

208-979-6450

HOSE, COMPRESSOR TO CONDENSER

8

20Y-979-5650

O-RING

9

208-979-6490

O-RING

10

208-979-6460

HOSE, CONDENSER TO RECEIVER

11

208-979-6480

O-RING

12

20Y-979-6490

O-RING

13

04434-51512

CLIP

14

01010-81225

BOLT

15

01643-31232

WASHER

16

04434-51512

CLIP

17

04434-51512

CLIP

18

01010-81225

BOLT

19

01643-31232

WASHER

20

04434-51512

CLIP

21

142-03-11160

SPACER

22

01010-81225

BOLT

23

01643-31232

WASHER

24

04434-51512

CLIP

25

144-947-3490

SPACER

26

01010-81245

BOLT

27

01643-31232

WASHER

28

141-06-11220

CLIP

29

01010-81225

BOLT

30

01643-31232

WASHER

31

04434-52112

CLIP

32

01010-81225

BOLT

33

01643-31232

WASHER

34

04434-52112

CLIP

35

01010-81230

BOLT

36

01643-31232

WASHER

37

141-06-11220

CLIP

38

01010-81225

BOLT

39

01643-31032

WASHER

40

04434-52112

CLIP

41

04434-52112

CLIP

42

04434-52112

CLIP

43

04434-52112

CLIP

44

04434-52112

CLIP

45

04434-52112

CLIP

46

08034-00536

STRAP, TIE

47

01010-51035

BOLT

48

01643-31032

WASHER

49

01010-80835

BOLT

50

01643-30823

WASHER

Выбрано товаров: 0