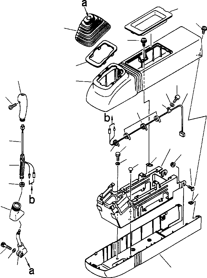
Запчасти Komatsu PC400LC-6LM FIG. K-A ОСНОВН. КОНСТРУКЦИЯ - ПРАВ. СТОЙКА КАБИНА ОПЕРАТОРА И СИСТЕМА УПРАВЛЕНИЯ

Схема запчастей Komatsu PC400LC-6LM - FIG. K-A ОСНОВН. КОНСТРУКЦИЯ - ПРАВ. СТОЙКА КАБИНА ОПЕРАТОРА И СИСТЕМА УПРАВЛЕНИЯ
13
12
7
12
6
3
11
16
14
17
2
15
18
5
20
25
24
23
10
26
21
22
4
9
8
27
28
1
19
23
FIT
1:1
100%

Артикул

Название

Примечание

Количество

|$0

20Y-43-21621

LEVER ASSEMBLY, R.H

1

20Y-43-22221

LEVER, R.H

|$2

20Y-43-22241

KNOB ASSEMBLY, R.H

2

01370-10308

SCREW

3

20Y-43-22390

KNOB, R.H

|$5

20Y-43-00010

SWITCH ASSEMBLY

4

20Y-43-22421

INSERT

5

20Y-43-22441

SWITCH, R.H

6

20Y-43-22250

PLATE

7

20Y-43-22261

BOOT

8

20Y-43-22370

BOOT

9

600-411-1280

NUT

10

08034-00310

BAND

11

20Y-43-22121

CASE

12

20Y-43-16590

SCREW

13

20Y-43-22161

COVER, R.H

14

20Y-06-21350

WIRING HARNESS

15

04434-51408

CLIP

16

01010-80820

BOLT

17

01643-30823

WASHER

18

08034-00519

BAND

|$21

20Y-43-21651

COVER ASSEMBLY

19

20Y-43-22111

CASE

20

20Y-43-22131

FRAME

21

20Y-43-22310

CLIP

22

20Y-43-22470

BOLT

23

20Y-43-22480

SPRING

24

198-911-5530

NUT

25

01010-81025

BOLT

26

01643-31032

WASHER

27

01252-41025

BOLT

28

01643-51032

WASHER

Выбрано товаров: 32