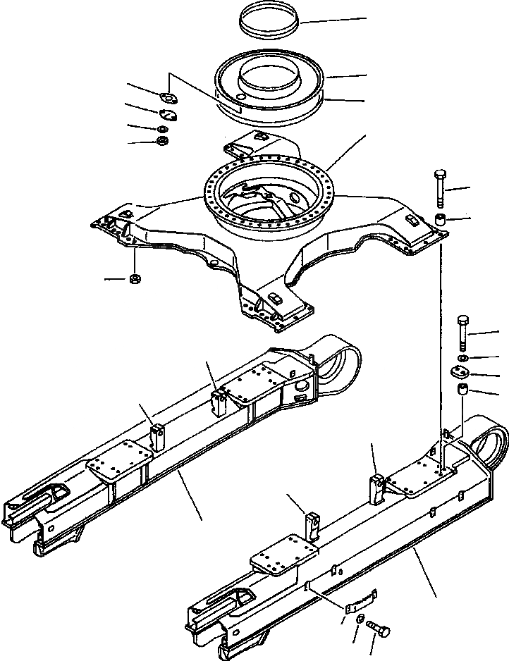
Запчасти Komatsu PC400LC-6LM FIG. R-AA ГУСЕНИЧНАЯ РАМА - РЕГУЛЯТОР С КРЫШКОЙ ХОДОВАЯ

Схема запчастей Komatsu PC400LC-6LM - FIG. R-AA ГУСЕНИЧНАЯ РАМА - РЕГУЛЯТОР С КРЫШКОЙ ХОДОВАЯ
2
3
5
4
8
7
1
6
19
18
24
22
14
23
20
13
21
10
11
12
9
15
17
16
FIT
1:1
100%

Артикул

Название

Примечание

Количество

1

208-30-67312

FRAME, CENTER

2

205-30-71171

SEAL

3

208-30-61220

COVER

4

205-30-71181

COVER

5

205-30-71191

GASKET

6

01580-11008

NUT

7

01643-31032

WASHER

8

205-30-51260

SEAL

9

208-30-A1111

FRAME, L.H.

10

208-30-61E60

PLATE

11

208-30-61E70

PLATE

12

208-30-A1121

FRAME, R.H.

13

208-30-61E60

PLATE

14

208-30-61E70

PLATE

15

208-30-61260

BRACKET

16

01010-81640

BOLT

17

01643-31645

WASHER

18

196-50-11220

SPACER

19

208-30-12130

BOLT

20

208-30-12160

PLATE

21

208-30-31650

COLLAR

22

01011-63030

BOLT

23

01643-33080

WASHER

24

01580-03024

NUT FOR SHIPPING ONLY

Выбрано товаров: 0