Запчасти Komatsu PC400LC-6LM FIG. R-AA ГУСЕНИЧНАЯ РАМА - СТАНДАРТН. ХОДОВАЯ

Схема запчастей Komatsu PC400LC-6LM - FIG. R-AA ГУСЕНИЧНАЯ РАМА - СТАНДАРТН. ХОДОВАЯ
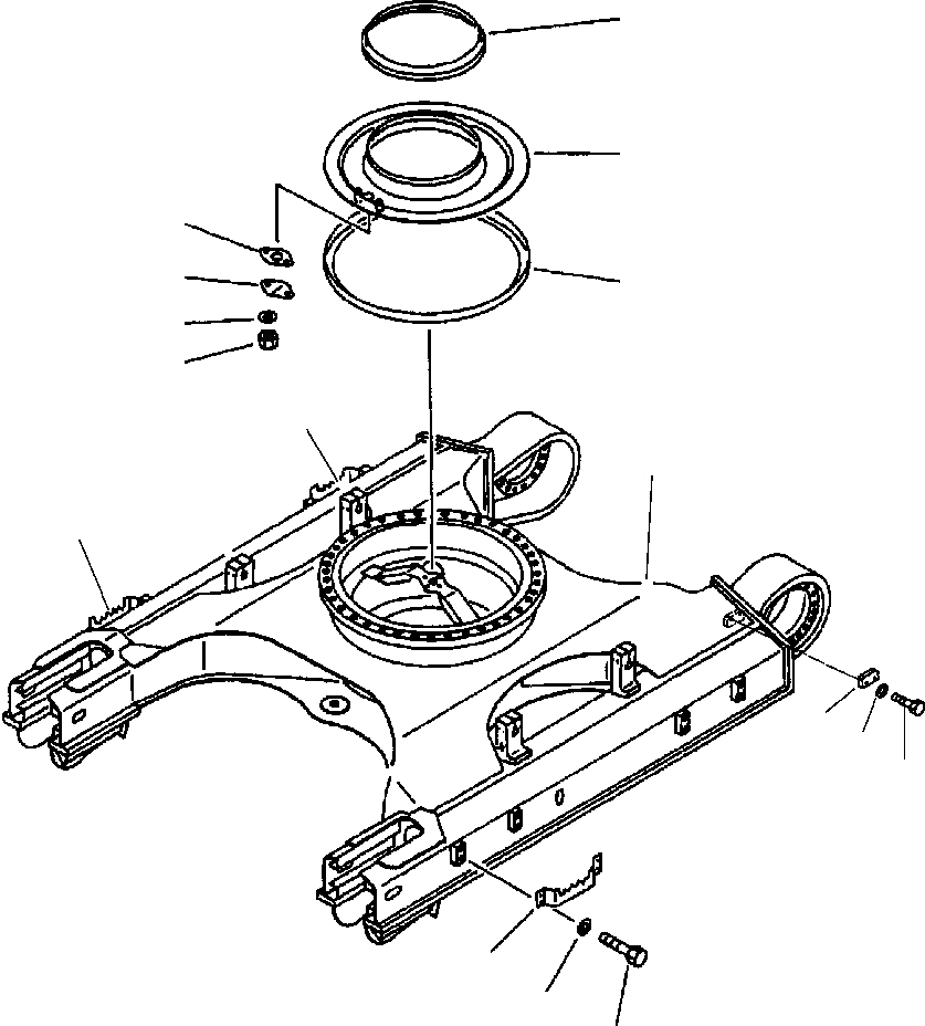
1
2
4
3
7
6
5
8
14
8
11
13
12
8
10
9
FIT
1:1
100%

Артикул

Название

Примечание

Количество

1

205-30-71171

SEAL

2

208-30-61220

COVER

3

205-30-71181

COVER

4

205-30-71191

GASKET

5

01580-11008

NUT

6

01643-31032

WASHER

7

207-30-51260

SEAL

8

208-30-61260

BRACKET

9

01010-81640

BOLT

10

01643-31645

WASHER

11

207-30-52121

PLATE

12

01010-62070

BOLT

13

01643-32060

WASHER

14

208-30-62113

FRAME, TRACK

Выбрано товаров: 14