Запчасти Komatsu PC400LC-6LM FIG. T-A РУКОЯТЬ (. M) - РУКОЯТЬ И ЦИЛИНДР КОВША РАБОЧЕЕ ОБОРУДОВАНИЕ

Схема запчастей Komatsu PC400LC-6LM - FIG. T-A РУКОЯТЬ (. M) - РУКОЯТЬ И ЦИЛИНДР КОВША РАБОЧЕЕ ОБОРУДОВАНИЕ
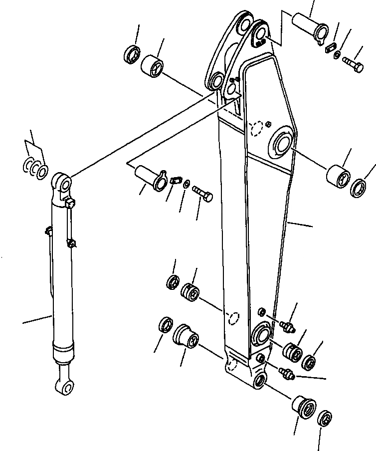
9
10
6
12
2
11
17
2
6
13
14
16
1
15
7
3
5
3
18
7
8
4
5
4
8
FIT
1:1
100%

Артикул

Название

Примечание

Количество

|$0

208-944-0210

ARM ASSEMBLY

1

NSS

ARM

2

208-70-61521

BUSHING

3

208-70-13141

BUSHING

4

208-70-32140

BUSHING

5

07020-00000

FITTING, GREASE

6

07145-00120

SEAL

7

208-70-12231

SEAL, DUST

8

205-70-62160

SEAL

9

208-70-61220

PIN

10

205-70-66580

PLATE

11

01010-81235

BOLT

12

01643-31232

WASHER

13

208-70-61240

PIN

14

205-70-66580

PLATE

15

01010-81235

BOLT

16

01643-31232

WASHER

17

207-70-11340

SPACER, 0.8 MM

Выбрано товаров: 0