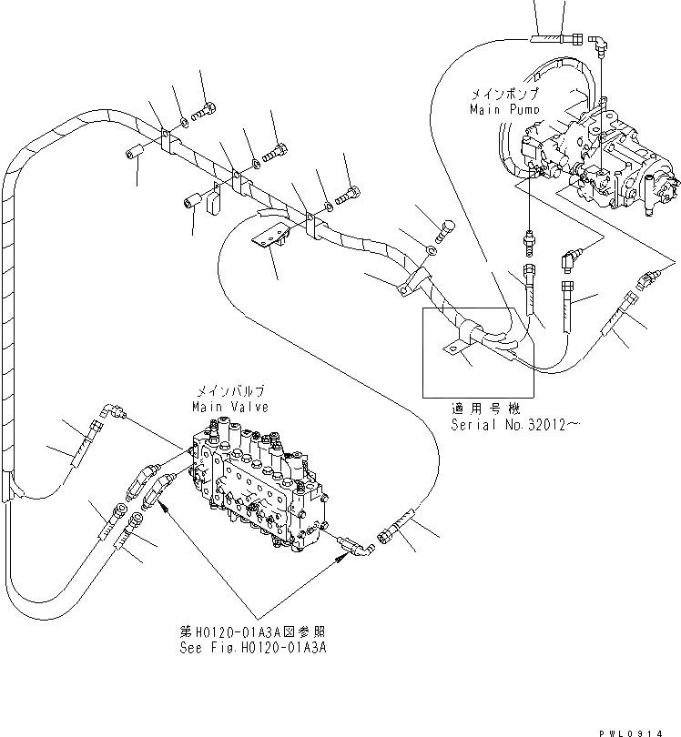
Запчасти Komatsu PC400LC-6Z LS ЛИНИЯ (ИЗ НАСОСА В КЛАПАН)(№-) ГИДРАВЛИКА

Схема запчастей Komatsu PC400LC-6Z - LS ЛИНИЯ (ИЗ НАСОСА В КЛАПАН)(№-) ГИДРАВЛИКА
1
1
2
2
3
3
4
4
5
5
5
5
6
6
7
7
7
8
8
9
9
10
10
11
11
12
12
13
13
14
FIT
1:1
100%

Артикул

Название

Примечание

Количество

1

20Y-62-22810

BAND, YELLOW

2

20Y-62-22790

BAND, RED

3

20Y-62-22830

BAND, WHITE

4

07096-00215

HOSE

5

07096-00222

HOSE

6

07096-00223

HOSE

7

208-06-19170

CLIP

7

208-06-19170

CLIP

8

01010-81225

BOLT

9

01643-31232

WASHER

10

113-899-7950

CLIP

11

205-03-71331

COLLAR

12

01010-81265

BOLT

13

01643-31232

WASHER

14

207-62-62111

BRACKET

Выбрано товаров: 0