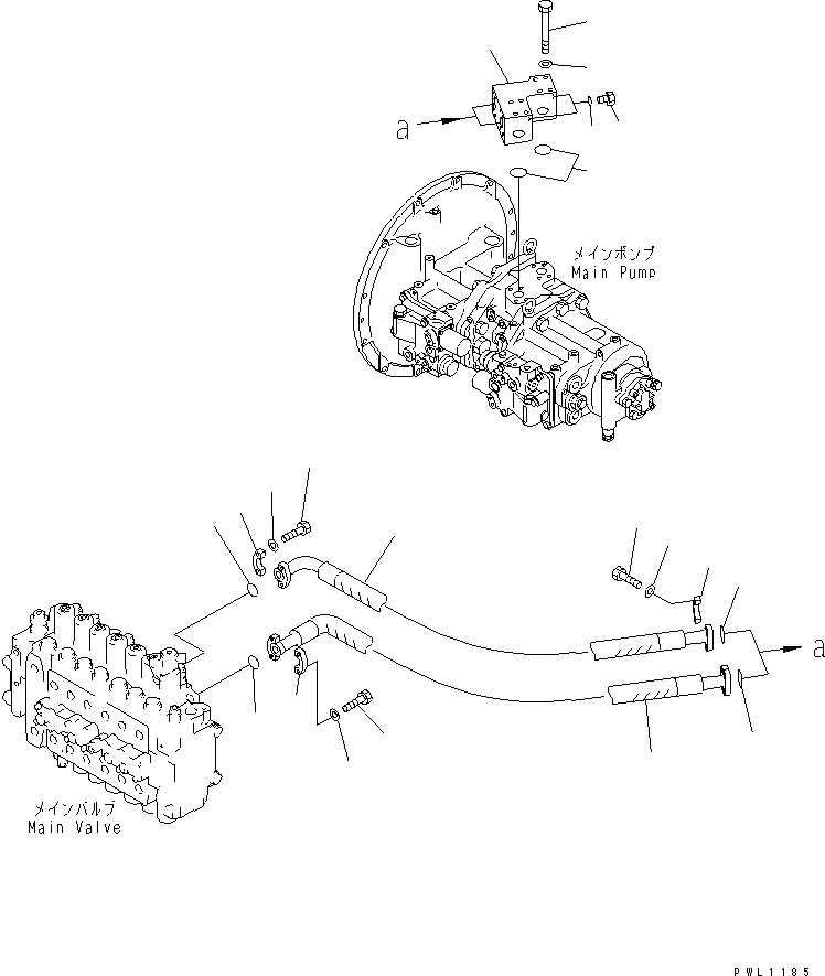
Запчасти Komatsu PC400LC-6Z ЛИНИЯ ПОДАЧИ (БЕЗ ПРОПУСКН. КЛАПАН)(№-) ГИДРАВЛИКА
1
2
3
4
5
6
7
8
8
9
10
10
11
12
13
14
14
15
15
16
16
FIT
1:1
100%
№
Артикул
Название
Примечание
Количество
1
207-62-63570
BLOCK
2
01011-81000
BOLT
3
01643-31032
WASHER
4
07000-13035
O-RING
5
07040-11007
PLUG
6
07002-11023
O-RING
7
208-62-61132
HOSE, 1180MM
8
07000-13032
O-RING
9
07085-01011
HOSE
9
207-62-64781
HOSE
10
07000-13032
O-RING
11
07371-31049
FLANGE
12
07372-21035
BOLT
13
01643-51032
WASHER
14
07371-31049
FLANGE
15
07372-21035
BOLT
16
01643-51032
WASHER
Выбрано товаров: 17