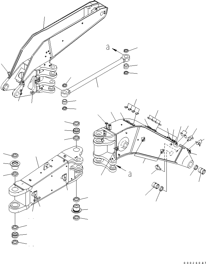
Запчасти Komatsu PC400LC-6Z OFFSET СТРЕЛА (1¤2-Я СТРЕЛА¤3 КОРПУС И ROD)(№9-) РАБОЧЕЕ ОБОРУДОВАНИЕ

Схема запчастей Komatsu PC400LC-6Z - OFFSET СТРЕЛА (1¤2-Я СТРЕЛА¤3 КОРПУС И ROD)(№9-) РАБОЧЕЕ ОБОРУДОВАНИЕ
1
2
2
2
2
3
4
4
4
5
6
7
8
9
10
10
11
11
12
12
13
14
14
15
16
16
17
17
18
18
18
18
18
18
18
18
19
20
21
21
22
23
23
24
24
24
24
FIT
1:1
100%

Артикул

Название

Примечание

Количество

1

208-70-64110

BOOM

2

208-62-38250

SEAT

3

205-70-71280

SEAT (WELDED)

4

207-62-54740

BRACKET (WELDED)

5

207-970-6340

BRACKET (WELDED)

6

208-62-64171

BRACKET (WELDED)

7

208-62-64180

BRACKET (WELDED)

8

208-62-64880

BRACKET (WELDED)

9

208-62-64910

BRACKET (WELDED)

10

208-70-64630

BUSHING

11

155-70-12230

SEAL

12

07020-00675

FITTING

13

208-70-64211

BOOM

14

208-62-64860

BRACKET (WELDED)

15

209-70-57170

SEAT (WELDED)

16

208-70-64610

BUSHING

17

208-70-64780

BUSHING

18

209-72-11311

SEAL

19

208-70-64311

BRACKET

20

205-70-71280

SEAT (WELDED)

21

208-62-64960

BRACKET (WELDED)

22

208-70-64410

ROD

23

208-70-13141

BUSHING

24

07145-00100

SEAL

Выбрано товаров: 24