Запчасти Komatsu PC400LC-7-M1 ОХЛАЖД-Е (СИСТЕМА ТРУБ РАДИАТОРА) СИСТЕМА ОХЛАЖДЕНИЯ

Схема запчастей Komatsu PC400LC-7-M1 - ОХЛАЖД-Е (СИСТЕМА ТРУБ РАДИАТОРА) СИСТЕМА ОХЛАЖДЕНИЯ
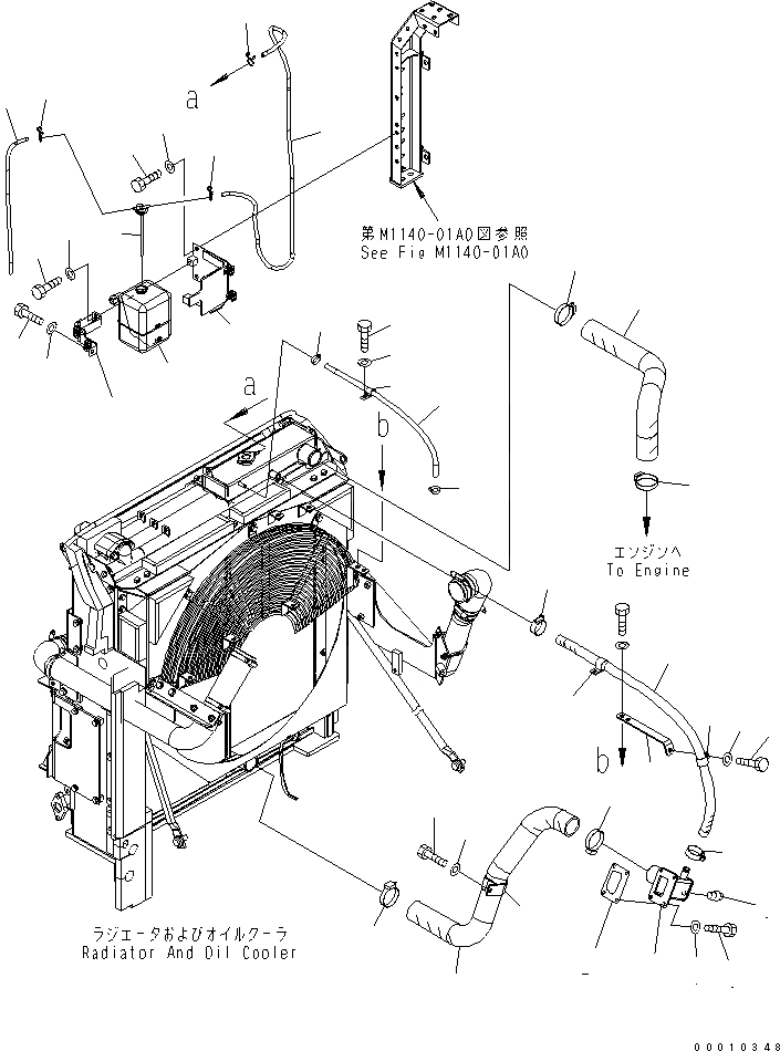
1
2
3
4
5
6
7
7
8
9
9
10
11
12
13
14
14
15
16
17
18
19
19
20
21
21
22
23
24
25
26
27
28
29
30
30
31
31
32
33
33
34
35
FIT
1:1
100%

Артикул

Название

Примечание

Количество

1

208-03-71960

CONNECTOR

2

207-03-31271

GASKET

3

01010-81025

BOLT

4

01643-31032

WASHER

5

07042-00312

PLUG

6

208-03-71321

HOSE

7

07289-00070

CLAMP

8

208-03-71331

HOSE

9

07289-00070

CLAMP

10

207-03-51530

CLIP

11

01010-81225

BOLT

12

01643-31232

WASHER

13

208-03-72140

HOSE

14

07281-00197

CLAMP

15

04434-51712

CLIP

16

01010-81225

BOLT

17

01643-31232

WASHER

18

208-03-72151

HOSE

19

07281-00359

CLAMP

20

208-03-72131

BRACKET

|20

208-03-72130

BRACKET

21

04434-53212

CLIP

22

01010-81225

BOLT

23

01643-31232

WASHER

24

20Y-06-15240

TANK ASS'Y

25

205-03-71532

CAP

|25

205-03-71540

PACKING

26

208-03-71910

BRACKET

27

01010-81225

BOLT

28

01643-31232

WASHER

29

208-03-71921

BAND

30

01010-81225

BOLT

31

01643-31232

WASHER

32

14S-03-11620

HOSE

33

206-03-43340

CLIP

34

208-03-58310

HOSE

35

206-03-43340

CLIP

Выбрано товаров: 37