Запчасти Komatsu PC400LC-7 ОСНОВН. КОНСТРУКЦИЯ (ПОЛ) (КОНСОЛЬ) (ВЕРХН.) (С ОБОГРЕВ-ЛЕМ И РАДИО) (ЛЕВ.) (--40C СПЕЦ-Я) КАБИНА ОПЕРАТОРА И СИСТЕМА УПРАВЛЕНИЯ

Схема запчастей Komatsu PC400LC-7 - ОСНОВН. КОНСТРУКЦИЯ (ПОЛ) (КОНСОЛЬ) (ВЕРХН.) (С ОБОГРЕВ-ЛЕМ И РАДИО) (ЛЕВ.) (--40C СПЕЦ-Я) КАБИНА ОПЕРАТОРА И СИСТЕМА УПРАВЛЕНИЯ
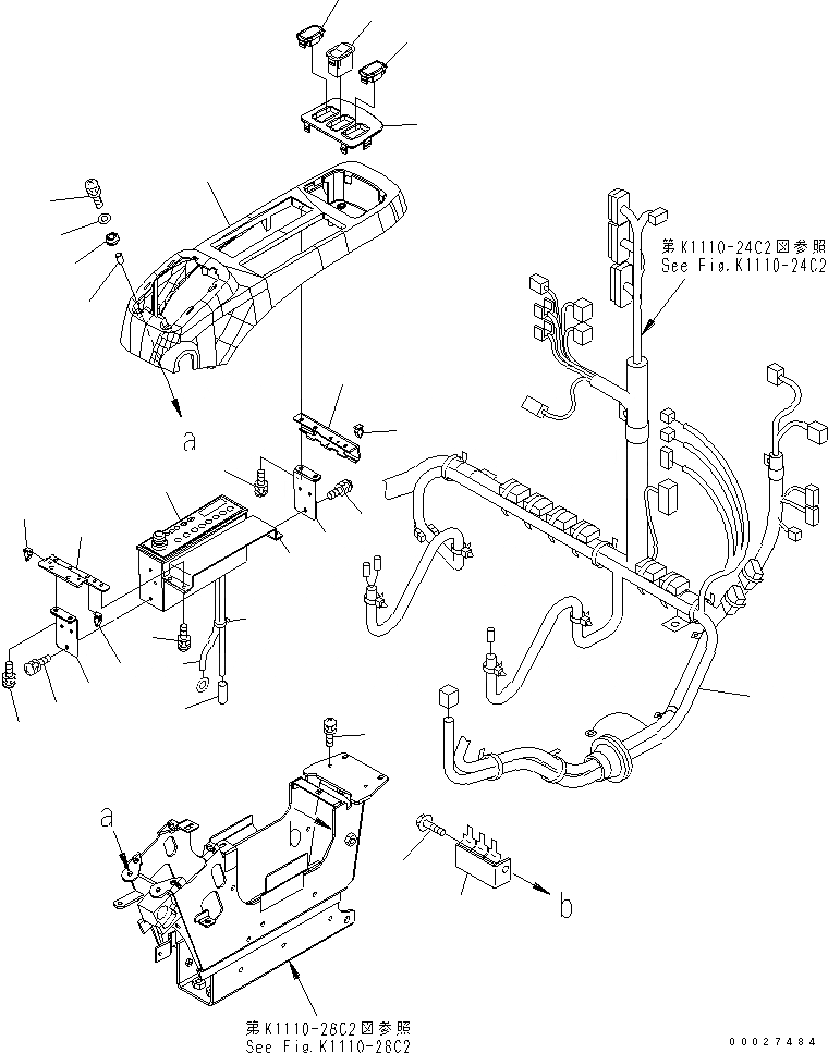
1
2
3
4
5
6
7
8
8
9
9
10
10
10
11
11
11
12
13
14
15
16
17
18
19
20
21
21
22
23
FIT
1:1
100%

Артикул

Название

Примечание

Количество

1

20Y-43-31460

COVER

2

208-06-71571

WIRING HARNESS

3

20Y-06-42430

RADIO

3

20Y-06-41239

RADIO

3

20Y-06-41238

RADIO

3

20Y-06-41237

RADIO

3

20Y-06-41236

RADIO

3

20Y-06-41235

RADIO

3

20Y-06-41233

RADIO

3

20Y-06-41232

RADIO

3

20Y-06-41230

RADIO

3

20Y-06-22730

RADIO

4

08912-51600

CORD

5

208-43-71680

COVER

6

22U-43-22220

PLATE

7

22U-43-22230

STAY

8

22U-06-22510

BRACKET

9

01023-60510

SCREW

10

01023-60516

SCREW

11

20Y-06-23770

CLIP

12

208-06-71950

WIRING HARNESS

13

08034-00310

BAND

14

01023-60620

SCREW

15

01023-60630

SCREW

16

01640-20610

WASHER

17

208-43-71610

CUSHION

18

208-43-71620

PIPE

19

22U-43-22120

PANEL

20

208-06-71580

SWITCH

21

22U-06-22320

COVER

22

22U-43-22451

BRACKET

23

01435-01020

BOLT

Выбрано товаров: 0