Запчасти Komatsu PC400LC-7 ЦИЛИНДР КОВША (ДЛЯ ПОГРУЗ.) ОСНОВН. КОМПОНЕНТЫ И РЕМКОМПЛЕКТЫ

Схема запчастей Komatsu PC400LC-7 - ЦИЛИНДР КОВША (ДЛЯ ПОГРУЗ.) ОСНОВН. КОМПОНЕНТЫ И РЕМКОМПЛЕКТЫ
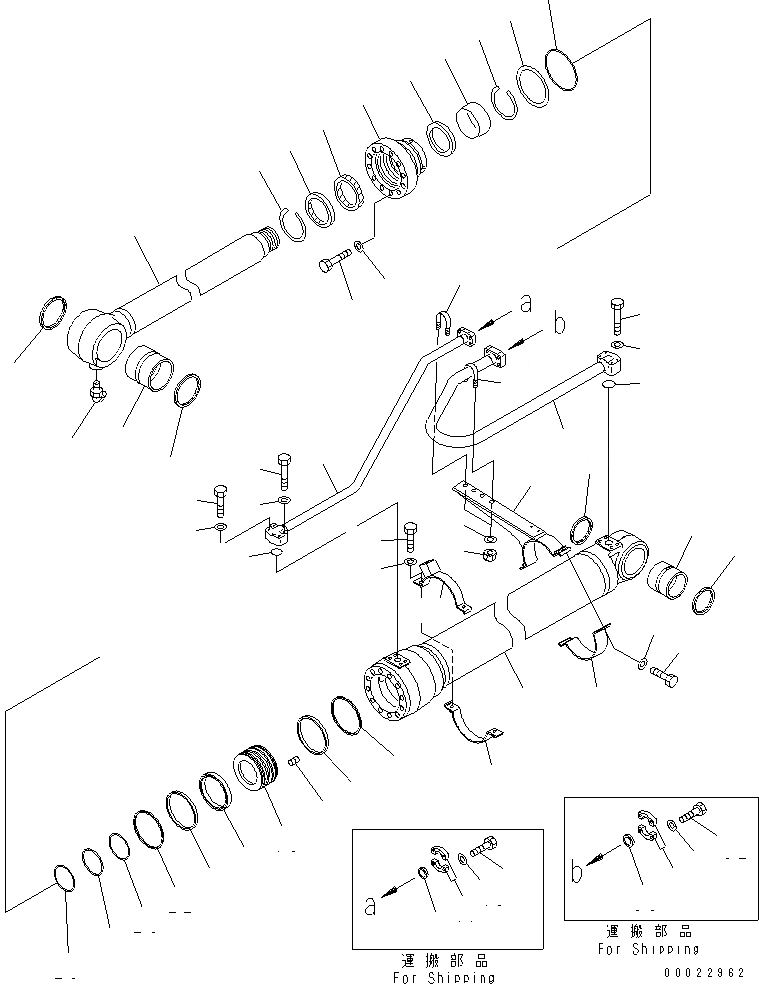
1
2
3
3
4
5
6
6
7
8
9
10
11
12
13
14
15
16
17
18
19
20
21
21
22
22
23
23
24
25
26
27
28
28
29
29
30
31
32
33
34
35
36
37
38
39
40
41
42
43
44
45
46
47
48
49
50
51
52
53
FIT
1:1
100%

Артикул

Название

Примечание

Количество

G-1

707-01-XT360

CYLINDER ASS'Y,L.H. (FINAL COATING)

G-2

707-01-XT370

CYLINDER ASS'Y,R.H. (FINAL COATING)

|$5

707-01-0G380

CYLINDER ASS'Y

1

707-13-13810

CYLINDER

2

707-76-80010

BUSHING

3

07145-00080

SEAL,DUST (KIT)

4

707-58-95240

ROD

5

707-76-10130

BUSHING

6

07145-00100

SEAL,DUST (KIT)

7

07020-00675

FITTING,GREASE

8

707-27-13640

HEAD

9

707-52-90710

BUSHING

10

707-51-95030

PACKING,ROD (KIT)

11

707-51-95640

RING,BUFFER (KIT)

12

707-75-95030

RING,SNAP

13

707-56-95510

SEAL,DUST (KIT)

14

07179-13109

RING,SNAP

15

07000-15130

O-RING (KIT)

16

07001-05130

RING,BACK-UP (KIT)

17

01010-81875

BOLT

18

707-41-11840

WASHER

19

707-36-13771

PISTON

20

707-44-13280

RING,PISTON (KIT)

21

707-39-13530

RING,WEAR (KIT)

22

707-44-13920

RING

23

707-35-90960

RING,BACK-UP (KIT)

24

07000-15085

O-RING (KIT)

25

01310-01216

SCREW

26

707-86-67260

TUBE,L.H.

26

707-86-67270

TUBE,R.H.

27

208-63-74380

TUBE,L.H.

27

208-63-74480

TUBE,R.H.

28

07372-21060

BOLT

29

01643-51032

WASHER

30

07372-21045

BOLT

31

01643-51032

WASHER

32

07000-13030

O-RING (KIT)

33

07000-13035

O-RING (KIT)

34

707-88-25640

BRACKET,L.H.

34

707-88-25650

BRACKET,R.H.

35

707-88-21980

BAND

36

07372-21235

BOLT

37

01643-51232

WASHER

38

07283-32738

CLIP

39

07283-33442

CLIP

40

01597-01009

NUT

41

01643-31032

WASHER

42

707-88-25830

BRACKET,L.H.

42

707-88-25840

BRACKET,R.H.

43

707-88-21570

BAND

44

07372-21035

BOLT

45

01643-51032

WASHER

46

707-88-33030

CAP

47

07371-30640

FLANGE,SPLIT

48

07372-21035

BOLT

49

01643-51032

WASHER

50

707-88-33040

CAP

51

07371-31049

FLANGE,SPLIT

52

07372-21035

BOLT

53

01643-51032

WASHER

|$64

707-99-50650

SERVICE KIT

Выбрано товаров: 61