Запчасти Komatsu PC400LC-7 УПРАВЛЯЮЩ. КЛАПАН (/) (СПЕЦ-Я -40С) ОСНОВН. КОМПОНЕНТЫ И РЕМКОМПЛЕКТЫ

Схема запчастей Komatsu PC400LC-7 - УПРАВЛЯЮЩ. КЛАПАН (/) (СПЕЦ-Я -40С) ОСНОВН. КОМПОНЕНТЫ И РЕМКОМПЛЕКТЫ
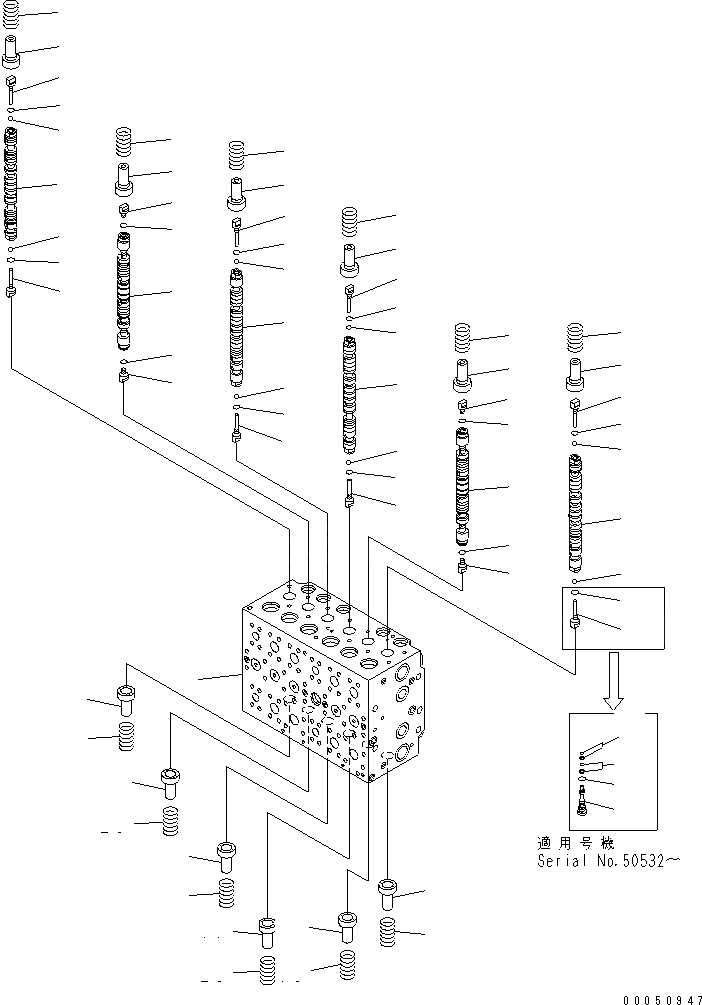
1
2
3
4
5
6
7
8
8
8
8
8
8
8
8
9
9
9
9
10
10
10
10
10
10
10
10
10
10
10
10
11
12
13
14
15
15
15
15
15
15
15
15
16
16
16
16
16
16
17
17
17
17
17
17
18
18
18
18
18
18
19
20
20
20
20
20
FIT
1:1
100%

Артикул

Название

Примечание

Количество

|$4

723-47-27803

CONTROL VALVE

|$5

723-47-27802

CONTROL VALVE

|$6

723-47-27801

CONTROL VALVE

|$7

723-47-27800

CONTROL VALVE

|$13

BODY SUB ASS'Y

|$14

BODY SUB ASS'Y

|$15

BODY SUB ASS'Y

1

BLOCK,VALVE

1

BLOCK,VALVE

2

SPOOL

2

SPOOL

3

SPOOL

3

SPOOL

4

SPOOL

5

SPOOL

6

SPOOL

6

SPOOL

7

SPOOL

7

SPOOL

8

723-46-15130

PLUG

8

723-46-15130

PLUG

9

723-46-15140

PLUG

10

07002-50823

O-RING

10

07002-50823

O-RING

11

PLUG

12

07002-51423

O-RING

13

SEAL

14

SEAL

15

708-7T-16460

BALL

16

723-46-15120

RETAINER

17

723-46-15690

RETAINER

18

723-46-14110

SPRING

19

723-46-14170

SPRING

20

723-46-14131

SPRING

Выбрано товаров: 34