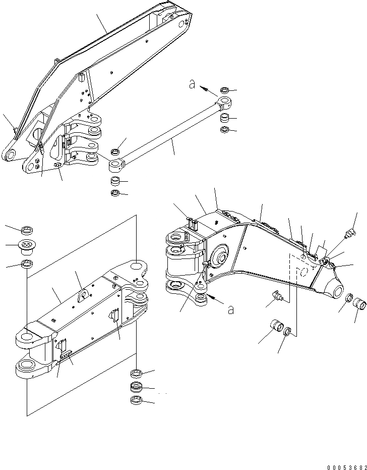
Запчасти Komatsu PC400LC-7 OFFSET СТРЕЛА (1¤ 2-Я СТРЕЛА¤ 3 КОРПУС И ROD)(№-) РАБОЧЕЕ ОБОРУДОВАНИЕ

Схема запчастей Komatsu PC400LC-7 - OFFSET СТРЕЛА (1¤ 2-Я СТРЕЛА¤ 3 КОРПУС И ROD)(№-) РАБОЧЕЕ ОБОРУДОВАНИЕ
1
2
3
4
5
6
7
7
7
8
9
10
10
11
11
12
12
13
14
14
15
16
17
18
19
19
19
19
20
21
22
22
23
24
24
25
25
25
25
FIT
1:1
100%

Артикул

Название

Примечание

Количество

1

208-70-71190

BOOM

2

205-70-71280

SEAT (WELDED)

3

208-62-64880

BRACKET (WELDED)

4

208-62-64910

BRACKET (WELDED)

5

208-62-74210

SEAT (WELDED)

6

208-62-74251

BRACKET (WELDED)

7

208-62-74810

BRACKET (WELDED)

8

208-62-74830

BRACKET (WELDED)

9

209-72-12140

BRACKET (WELDED)

10

208-70-64630

BUSHING

11

155-70-12230

SEAL

12

07020-00675

FITTING

13

208-70-64211

BOOM

14

208-62-64860

BRACKET (WELDED)

15

209-70-57170

SEAT (WELDED)

16

209-72-12140

BRACKET (WELDED)

17

208-70-64610

BUSHING

18

208-70-64780

BUSHING

19

209-72-11311

SEAL

20

208-70-64312

BRACKET

21

205-70-71280

SEAT (WELDED)

22

208-62-64960

BRACKET (WELDED)

23

208-70-64410

ROD

24

208-70-13141

BUSHING

25

07145-10100

SEAL

Выбрано товаров: 25