Качественные детали и логистика
Оригинальные и аналоговые запчасти с доставкой по России, Казахстану и Беларуси
©2022 PartSell ООО "Система" ИНН 2463123282 ОГРН 1212400004838
Центральный офис: г. Красноярск, Академика Киренского, д.87, пом.4
Телефон: 8 (800) 777-65-74 Email: zakaz@partsell.ru
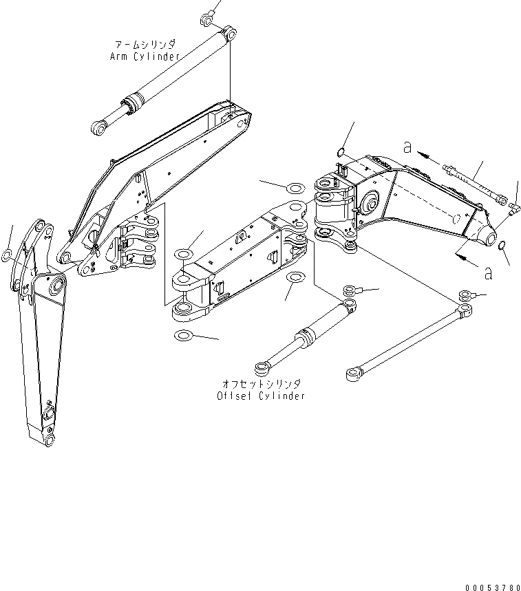
OFFSET СТРЕЛА (LOOSE-ПОДАЮЩ. ITEM)(№-)
№
Артикул
Название
Примечание
Количество
1
155-70-12230
SEAL
2
21N-72-11210
SHIM, 1.0MM
3
208-70-31310
SPACER, 0.8MM
4
207-70-11340
5
207-70-11360
SPACER, 1.0MM
6
205-70-51380
ELBOW
7
209-72-16550
HOSE
Выбрано товаров: 0