Запчасти Komatsu PC400LC-7 УПРАВЛЯЮЩ. КЛАПАН (-АКТУАТОР) (/) (ДЛЯ OFFSET СТРЕЛА) (СПЕЦ-Я -40С)(№-) ОСНОВН. КОМПОНЕНТЫ И РЕМКОМПЛЕКТЫ

Схема запчастей Komatsu PC400LC-7 - УПРАВЛЯЮЩ. КЛАПАН (-АКТУАТОР) (/) (ДЛЯ OFFSET СТРЕЛА) (СПЕЦ-Я -40С)(№-) ОСНОВН. КОМПОНЕНТЫ И РЕМКОМПЛЕКТЫ
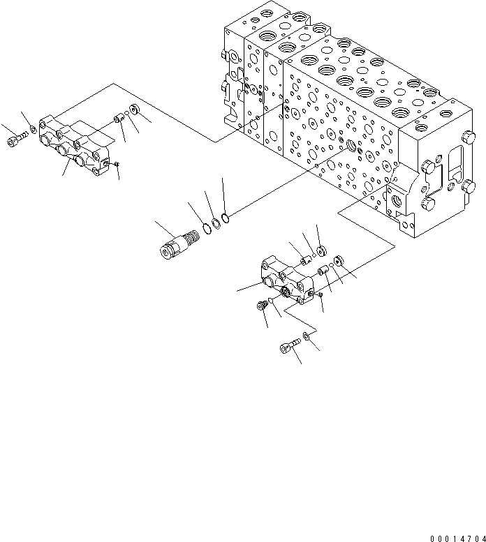
1
2
3
4
5
6
6
7
7
8
9
10
11
12
13
14
14
15
15
16
17
18
19
FIT
1:1
100%

Артикул

Название

Примечание

Количество

|$1

723-48-28201

CONTROL VALVE

|$3

723-40-66900

VALVE ASS'Y

1

CASE

2

SEAT

3

SEAT

4

708-8H-11530

PLUG

5

07002-51423

O-RING

6

SEAT

7

BALL

8

PLUG

|$12

723-40-66601

VALVE ASS'Y

9

CASE

10

SEAT

11

SEAT

12

BALL

13

PLUG

14

01252-61050

BOLT

15

01643-51032

WASHER

16

723-40-60200

VALVE ASS'Y

17

07000-52020

O-RING

18

07001-02020

RING,BACK-UP

19

709-20-61730

O-RING

Выбрано товаров: 0