Запчасти Komatsu PC400LC-7 ОСНОВН. КОНСТРУКЦИЯ (КАБИНА IN ЧАСТИ) (ПАНЕЛЬ) (ДЛЯ ПОГРУЗ.)(№-) КАБИНА ОПЕРАТОРА И СИСТЕМА УПРАВЛЕНИЯ

Схема запчастей Komatsu PC400LC-7 - ОСНОВН. КОНСТРУКЦИЯ (КАБИНА IN ЧАСТИ) (ПАНЕЛЬ) (ДЛЯ ПОГРУЗ.)(№-) КАБИНА ОПЕРАТОРА И СИСТЕМА УПРАВЛЕНИЯ
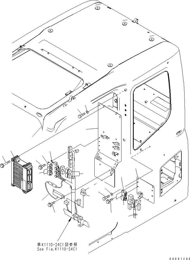
1
2
3
4
5
6
7
8
8
9
10
11
11
12
13
14
15
16
17
18
FIT
1:1
100%

Артикул

Название

Примечание

Количество

1

208-53-12860

PLATE

2

01010-80816

BOLT

3

01643-30823

WASHER

4

7835-28-3002

CONTROLLER

5

01435-00885

BOLT

6

7861-94-3000

RESISTOR

7

01435-00816

BOLT

8

569-06-61960

RELAY

9

287-06-16420

BRACKET

10

01435-00610

BOLT

11

8233-06-3350

DIODE

12

208-53-12880

BRACKET

13

01010-80816

BOLT

14

01643-30823

WASHER

15

198-911-9240

RELAY, 4-TERMINAL

16

20Y-979-6771

RELAY

17

01435-00610

BOLT

18

08059-00515

CLIP

Выбрано товаров: 0