Качественные детали и логистика
Оригинальные и аналоговые запчасти с доставкой по России, Казахстану и Беларуси
©2022 PartSell ООО "Система" ИНН 2463123282 ОГРН 1212400004838
Центральный офис: г. Красноярск, Академика Киренского, д.87, пом.4
Телефон: 8 (800) 777-65-74 Email: zakaz@partsell.ru
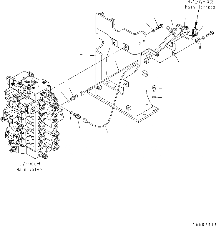
ОСНОВН. КЛАПАН (КОРПУС КЛАПАНА)(№8-89)
№
Артикул
Название
Примечание
Количество
1
208-62-71111
BRACKET
2
01010-81640
BOLT
3
01643-31645
WASHER
4
01010-81645
5
6
7861-93-1650
SENSOR
7
07002-11823
O-RING
8
7861-93-1780
WIRING HARNESS
9
208-06-75190
10
08034-20536
BAND
Выбрано товаров: 0