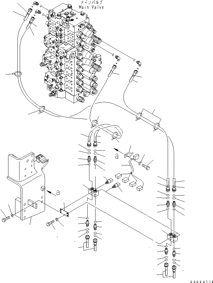
Запчасти Komatsu PC400LC-7E0 ОСНОВН. ЛИНИЯ PPC (БЛОК) ( АКТУАТОР) ГИДРАВЛИКА

Схема запчастей Komatsu PC400LC-7E0 - ОСНОВН. ЛИНИЯ PPC (БЛОК) ( АКТУАТОР) ГИДРАВЛИКА
1
1
2
3
4
5
6
7
7
7
7
7
7
7
7
8
8
8
8
8
8
8
8
9
9
9
9
9
9
9
9
10
10
10
10
10
10
10
10
11
11
12
13
14
15
16
16
17
17
18
18
19
19
20
20
21
22
22
23
23
24
24
25
25
26
27
28
FIT
1:1
100%

Артикул

Название

Примечание

Количество

1

20Y-62-43430

BLOCK

2

01010-80830

BOLT

3

01643-30823

WASHER

4

20Y-62-43450

PLATE

5

01010-80820

BOLT

6

01643-30823

WASHER

7

20Y-62-16630

NIPPLE

8

201-60-11390

O-RING

9

20Y-62-19560

O-RING

10

07002-11423

O-RING

11

206-06-61130

SWITCH

12

20Y-06-22430

WIRING HARNESS

13

08053-01512

CLIP

14

01010-81225

BOLT

15

01643-31232

WASHER

16

08034-20519

BAND

17

208-62-72570

HOSE, 1200MM

18

208-62-72580

HOSE, 1700MM

19

20Y-62-22810

BAND, YELLOW

20

08034-20536

BAND

21

08034-20519

BAND

22

208-62-72570

HOSE, 1200MM

23

208-62-72580

HOSE, 1700MM

24

20Y-62-22840

BAND, BLACK

25

20Y-62-22860

BAND, BROWN

Выбрано товаров: 25