Запчасти Komatsu PC400LC-8 КАБИНА (КАБИНА IN ЧАСТИ) (ВОЗДУХОВОД) (С КОНДИЦИОНЕРОМ)(№7-) КАБИНА ОПЕРАТОРА И СИСТЕМА УПРАВЛЕНИЯ

Схема запчастей Komatsu PC400LC-8 - КАБИНА (КАБИНА IN ЧАСТИ) (ВОЗДУХОВОД) (С КОНДИЦИОНЕРОМ)(№7-) КАБИНА ОПЕРАТОРА И СИСТЕМА УПРАВЛЕНИЯ
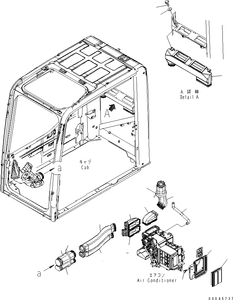
1
2
3
4
5
6
7
8
9
10
11
12
13
14
15
16
17
FIT
1:1
100%

Артикул

Название

Примечание

Количество

1

20Y-53-13311

DUCT

2

20Y-53-13331

DUCT

3

20Y-53-13351

DUCT

4

20Y-53-13321

DUCT

5

20Y-53-13341

DUCT

6

20Y-53-13361

DUCT

7

08034-20876

BAND

8

20Y-53-12522

DUCT

9

208-53-12680

CLIP

10

17M-911-3530

ELEMENT

11

20Y-53-13451

DUCT

12

01435-40616

BOLT

13

20Y-53-12310

COLLAR

14

20Y-53-13461

DUCT

15

208-53-12120

DUCT

16

208-53-12432

HOSE

17

08034-20876

BAND

Выбрано товаров: 17