Запчасти Komatsu PC400LC-8 СТРЕЛА, ПАЛЕЦ (№7-) СТРЕЛА, ПРЯМАЯ ЛОПАТА CONFIGURATION

Схема запчастей Komatsu PC400LC-8 - СТРЕЛА, ПАЛЕЦ (№7-) СТРЕЛА, ПРЯМАЯ ЛОПАТА CONFIGURATION
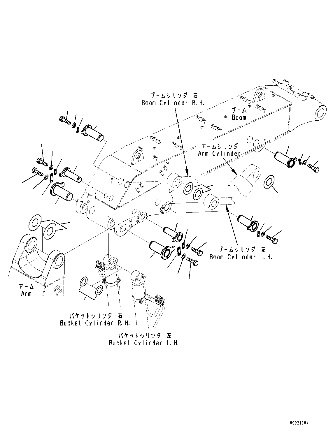
13
20
18
19
17
16
11
12
10
9
5
6
8
7
15
14
5
6
8
7
11
12
10
9
19
18
17
16
1
2
4
3
FIT
1:1
100%

Артикул

Название

Примечание

Количество

1

208-70-31190

Pin

2

205-70-66580

Plate

3

01010-81235

Bolt

4

01643-31232

Washer

5

208-70-31210

Pin

6

205-70-66580

Plate

7

01010-81235

Bolt

8

01643-31232

Washer

9

208-72-14170

Pin

10

205-70-66580

Plate

11

01010-81235

Bolt

12

01643-31232

Washer

13

205-70-51520

Spacer

14

207-70-11360

Spacer, T=1.0mm

15

207-70-11340

Spacer, T=0.8mm

16

208-72-51150

Pin

17

207-70-31230

Plate

18

01010-81640

Bolt

19

01643-31645

Washer

20

208-70-31290

Spacer, T=0.8mm

Выбрано товаров: 0