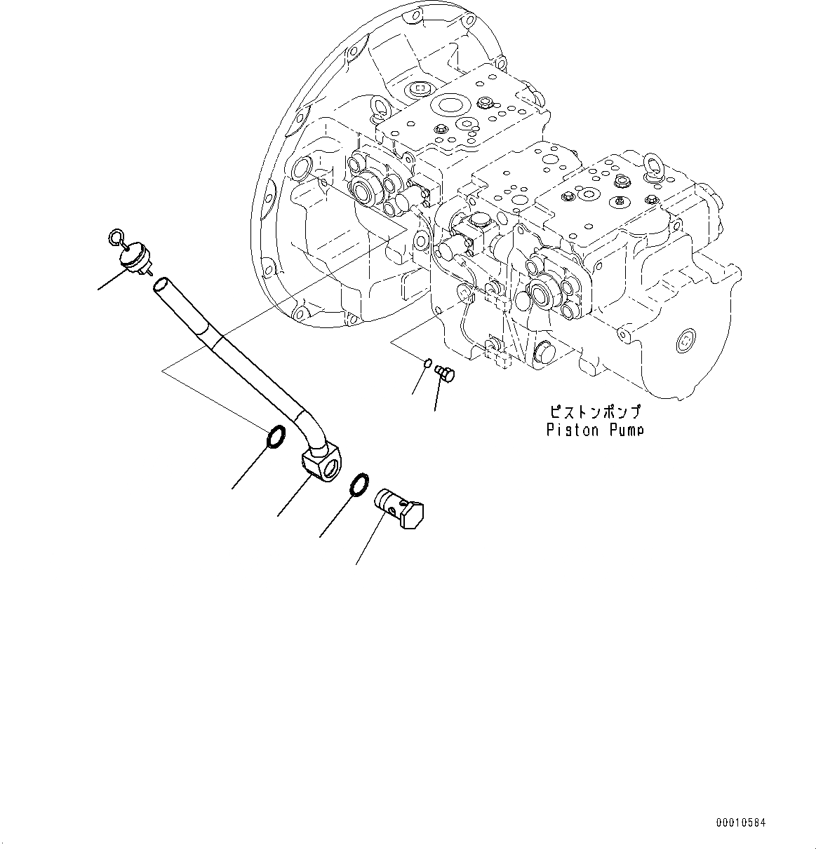
Запчасти Komatsu PC400LC-8 ПОРШЕНЬ НАСОС (№7-) ПОРШЕНЬ НАСОС, КОМПОНЕНТЫ

Схема запчастей Komatsu PC400LC-8 - ПОРШЕНЬ НАСОС (№7-) ПОРШЕНЬ НАСОС, КОМПОНЕНТЫ
2
1
3
4
5
6
2
FIT
1:1
100%

Артикул

Название

Примечание

Количество

1

207-01-31141

Joint

2

07005-03016

Seal, Washer

3

207-01-31150

Gauge

3

208-01-71350

Gauge

4

208-01-75210

Tube

5

07040-11209

Plug

6

07002-11223

O-ring

Выбрано товаров: 7