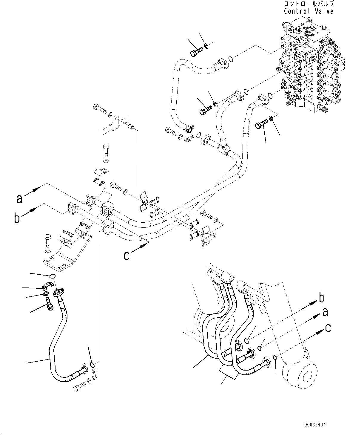
Запчасти Komatsu PC400LC-8 ТРУБЫ СТРЕЛЫ, (/) (№7-) ТРУБЫ СТРЕЛЫ, БЕЗ ANTI-DROP КЛАПАН

Схема запчастей Komatsu PC400LC-8 - ТРУБЫ СТРЕЛЫ, (/) (№7-) ТРУБЫ СТРЕЛЫ, БЕЗ ANTI-DROP КЛАПАН
8
9
8
9
8
9
2
5
7
6
1
2
1
3
4
2
4
FIT
1:1
100%

Артикул

Название

Примечание

Количество

1

207-62-52610

Hose

2

07000-13032

O-ring

3

206-62-51650

Hose

4

07000-13032

O-ring

5

07371-31049

Flange, Split

6

07372-21035

Bolt

7

01643-51032

Washer

8

07372-21040

Bolt

9

01643-51032

Washer

Выбрано товаров: 9