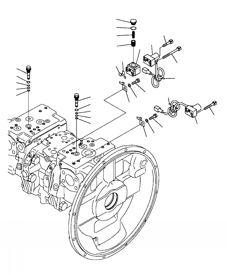
Запчасти Komatsu PC400LC-8 H-A ОСНОВН. НАСОС (/) ГИДРАВЛИКА

Схема запчастей Komatsu PC400LC-8 - H-A ОСНОВН. НАСОС (/) ГИДРАВЛИКА
7
11
14
9
4
8
10
12
13
5
15
18
6
17
16
20
3
17
15
19
18
21
17
16
2
17
1
20
19
21
FIT
1:1
100%

Артикул

Название

Примечание

Количество

1

702-21-57600

PILOT VALVE

2

01252-60635

BOLT

3

20Y-62-22790

BAND, RED

4

702-21-57500

PILOT VALVE

5

702-16-55260

BOLT

6

20Y-62-22830

BAND, WHITE

|$7

702-21-55400

VALVE

7

702-21-55920

PLUG

8

702-21-55930

PISTON

9

702-21-55940

SPRING

10

702-21-55951

BLOCK

11

07002-12034

O-RING

12

07000-11008

O-RING

13

722-12-18240

O-RING

14

01252-60530

BOLT

15

708-2H-15531

PLUG

16

07000-B1008

O-RING

17

07001-01008

RING

18

07002-61423

O-RING

19

01643-51232

WASHER

20

01010-81220

BOLT

21

08193-21012

CLIP

Выбрано товаров: 0