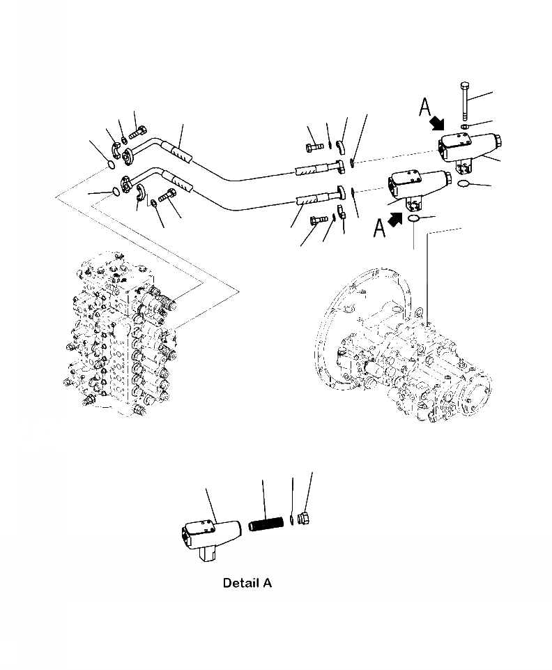
Запчасти Komatsu PC400LC-8 H-A ЛИНИЯ ПОДАЧИ ГИДРАВЛИКА

Схема запчастей Komatsu PC400LC-8 - H-A ЛИНИЯ ПОДАЧИ ГИДРАВЛИКА
6
16
12
8
17
10
11
9
7
15
12
1
5
14
1
5
15
16
14
13
17
8
10
9
9
2
4
3
1
FIT
1:1
100%

Артикул

Название

Примечание

Количество

|$0

208-62-71101

FILTER

1

NSS

CASE

2

20Y-60-22372

PLUG

3

207-60-61250

STRAINER

4

07002-13634

O-RING

5

07000-13035

O-RING

6

01011-81070

BOLT

7

01643-31032

WASHER

8

07371-31049

FLANGE

9

07372-21035

BOLT

10

01643-51032

WASHER

11

207-62-71750

HOSE

12

07000-13032

O-RING

13

207-62-71880

HOSE

14

07000-13032

O-RING

15

07371-31049

FLANGE

16

07372-21035

BOLT

17

01643-51032

WASHER

Выбрано товаров: 18