Качественные детали и логистика
Оригинальные и аналоговые запчасти с доставкой по России, Казахстану и Беларуси
©2022 PartSell ООО "Система" ИНН 2463123282 ОГРН 1212400004838
Центральный офис: г. Красноярск, Академика Киренского, д.87, пом.4
Телефон: 8 (800) 777-65-74 Email: zakaz@partsell.ru
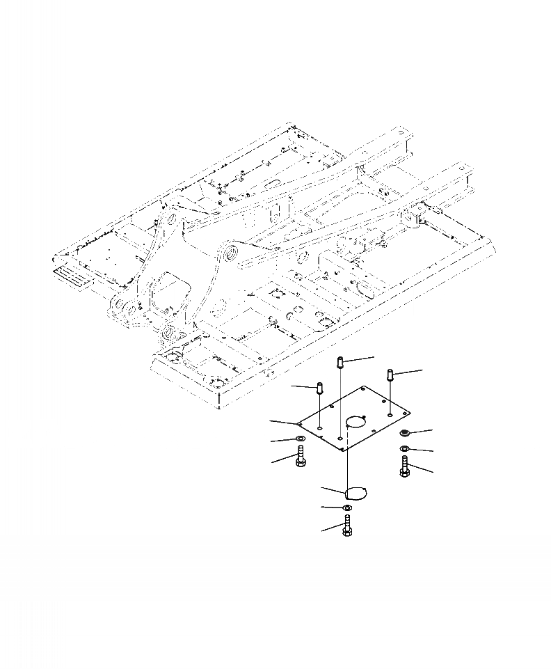
M8-A ОСНОВНАЯ РАМА ЦЕНТР. НИЖН. КРЫШКА УСИЛ.
№
Артикул
Название
Примечание
Количество
1
208-54-78360
COVER
2
22U-54-24760
GROMMET
3
01010-81230
BOLT
4
175-54-34170
WASHER
5
208-54-57180
COLLAR
6
7
01643-31232
8
207-54-51440
PLATE
9
10
Выбрано товаров: 0