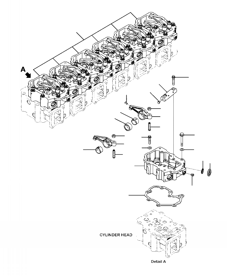
Запчасти Komatsu PC400LC-8 A-BB8A КОРОМЫСЛО И КОЖУХ ДВИГАТЕЛЬ

Схема запчастей Komatsu PC400LC-8 - A-BB8A КОРОМЫСЛО И КОЖУХ ДВИГАТЕЛЬ
1
21
18
19
14
17
15
13
20
16
6
12
7
9
8
10
8
11
4
3
1
2
5
FIT
1:1
100%

Артикул

Название

Примечание

Количество

|$0

6251-11-7300

HOUSING

|$1

6251-11-7100

HOUSING

1

6251-11-7110

HOUSING, ROCKER ARM

2

07043-30108

PLUG

3

6251-11-8830

SEAL

4

6251-11-8840

RING

5

6251-11-7220

GASKET

6

01437-01075

BOLT

7

6251-71-1170

BOLT

8

01643-31032

WASHER

|$10

6150-41-5400

ARM, INTAKE

9

NSS

ARM, ROCKER

10

6150-41-5420

BUSHING

11

6150-41-5541

SCREW

12

01582-01008

NUT

|$15

6154-41-5500

ARM, EXHAUST

13

NSS

ARM, ROCKER

14

6162-43-5340

RIVET

15

6150-41-5420

BUSHING

16

6150-41-5541

SCREW

17

01582-01008

NUT

|$21

6150-42-5300

ROCKER ARM SHAFT

18

NSS

SHAFT

19

6710-41-5340

RIVET

20

6154-41-5321

COLLAR

21

6150-81-9370

BOLT

Выбрано товаров: 26