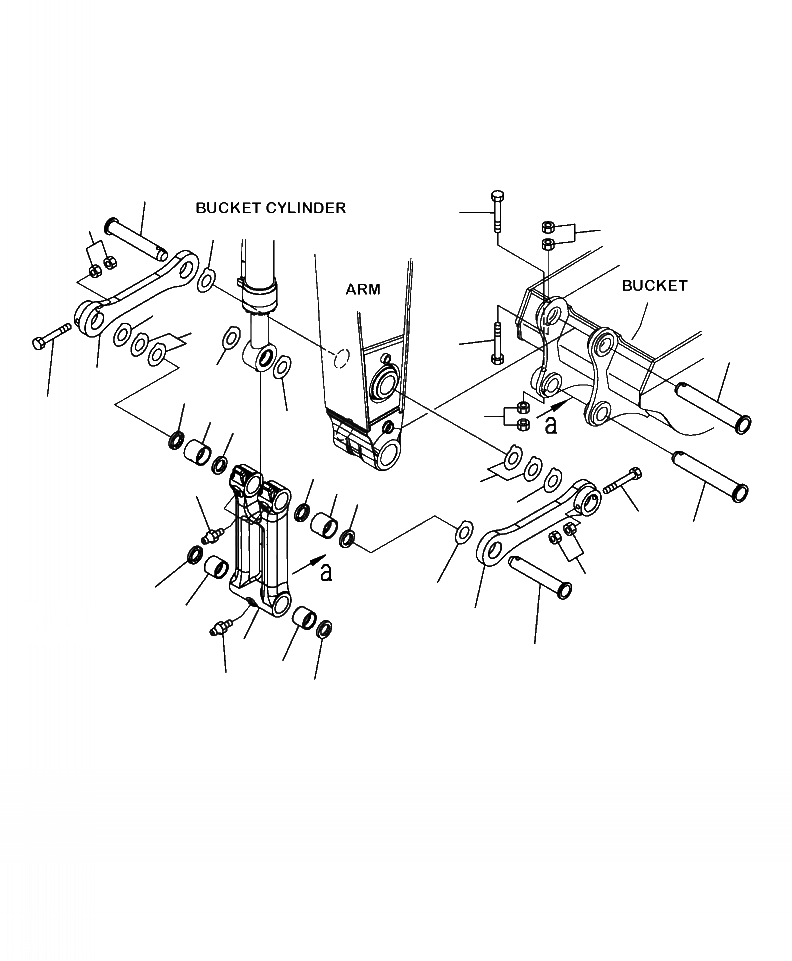
Запчасти Komatsu PC400LC-8 T-A РУКОЯТЬ СОЕДИНЕНИЕ КОВША РАБОЧЕЕ ОБОРУДОВАНИЕ

Схема запчастей Komatsu PC400LC-8 - T-A РУКОЯТЬ СОЕДИНЕНИЕ КОВША РАБОЧЕЕ ОБОРУДОВАНИЕ
7
8
9
9
10
10
11
8
6
10
5
4
8
2
9
10
4
4
2
3
11
4
10
8
6
9
4
10
2
5
1
7
2
3
4
FIT
1:1
100%

Артикул

Название

Примечание

Количество

|$0

208-70-00750

LINK

1

NSS

LINK

2

208-70-13141

BUSHING

3

07020-00000

FITTING

4

208-70-73530

SEAL

5

208-70-73120

LINK

6

208-70-73520

PIN

7

208-70-73131

PIN

8

208-70-73160

BOLT

9

01580-12419

NUT

10

207-70-11350

SPACER, 1.5 MM

11

207-70-11340

SPACER, 0.8 MM

Выбрано товаров: 12