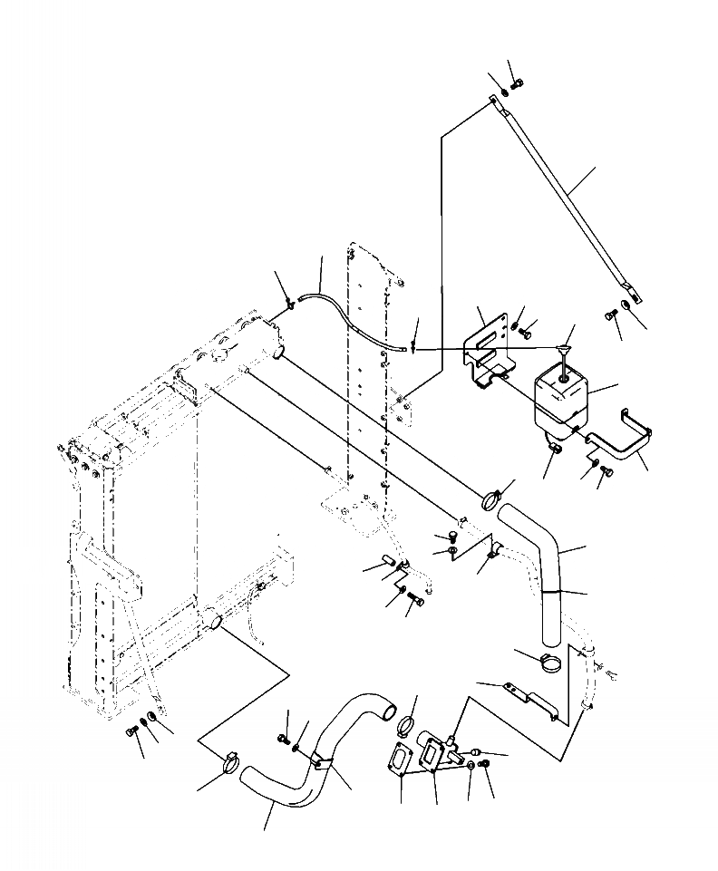
Запчасти Komatsu PC400LC-8 C-A СИСТЕМА ТРУБ РАДИАТОРА И SUB-БАК СИСТЕМА ОХЛАЖДЕНИЯ

Схема запчастей Komatsu PC400LC-8 - C-A СИСТЕМА ТРУБ РАДИАТОРА И SUB-БАК СИСТЕМА ОХЛАЖДЕНИЯ
5
6
4
36
37
39
32
37
38
30
7
5
29
14
33
31
35
9
34
27
13
28
20
26
21
24
23
22
14
25
16
18
19
3
2
12
1
16
17
10
11
9
8
15
FIT
1:1
100%

Артикул

Название

Примечание

Количество

1

01010-81645

BOLT

2

01643-31645

WASHER

3

21T-54-16150

WASHER

4

207-03-71211

STAY

5

01010-81635

BOLT

6

01643-31645

WASHER

7

21T-54-16150

WASHER

8

208-03-75390

CONNECTOR

9

207-03-31271

GASKET

10

01010-81025

BOLT

11

01643-31032

WASHER

12

07042-00312

PLUG

13

208-03-75470

HOSE

14

07289-00070

CLAMP

15

208-03-75481

HOSE

16

07289-00070

CLAMP

17

207-03-51530

CLIP

18

01010-81225

BOLT

19

01643-31232

WASHER

20

6152-51-5520

SPACER

21

04434-51710

CLIP

22

01010-81070

BOLT

23

01643-31032

WASHER

24

134-03-61410

BAND

25

208-03-75380

BRACKET

26

04434-53212

CLIP

27

01010-81225

BOLT

28

01643-31232

WASHER

29

419-03-21320

TANK

30

421-03-22170

CAP

31

08055-00282

CONNECTOR

32

208-03-75370

BRACKET

33

17A-03-14130

BAND

34

01010-81020

BOLT

35

01643-31032

WASHER

36

208-03-75830

HOSE

37

206-03-43340

CLIP

38

01010-81225

BOLT

39

01643-31232

WASHER

Выбрано товаров: 39