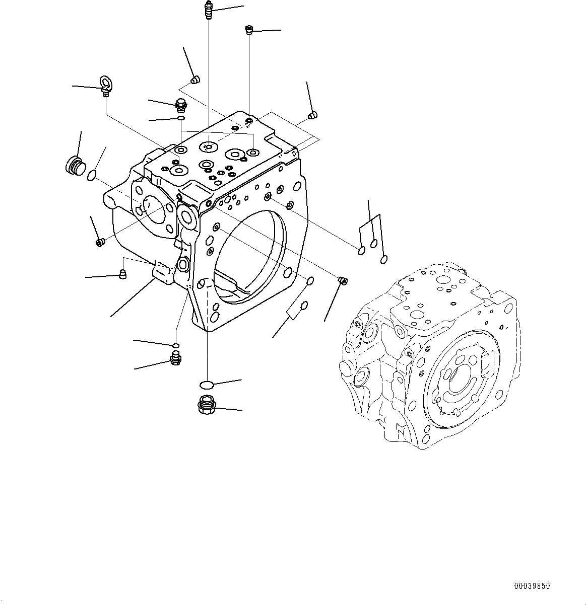
Запчасти Komatsu PC400LC-8R ПОРШЕНЬ НАСОС, ВНУТР. ЧАСТИ (/) (№79-) ПОРШЕНЬ НАСОС

Схема запчастей Komatsu PC400LC-8R - ПОРШЕНЬ НАСОС, ВНУТР. ЧАСТИ (/) (№79-) ПОРШЕНЬ НАСОС
9
8
2
2
7
6
4
3
6
8
9
2
11
5
10
2
1
2
2
FIT
1:1
100%

Артикул

Название

Примечание

Количество

|$0

708-2H-00450

Pump Assembly

|$1

708-2H-01450

Pump Subassembly

|$2

708-2H-04680

Case Assembly,Rear

1

Case,Rear

2

Plug

3

07044-12412

Plug

4

07002-62434

O-ring

5

20B-27-11210

Bleeder

6

07000-B2012

O-ring

7

04530-11222

Bolt, Eye

8

708-8E-16150

Plug

9

07002-61023

O-ring

10

07040-12414

Plug

11

07002-62434

O-ring

Выбрано товаров: 14