Качественные детали и логистика
Оригинальные и аналоговые запчасти с доставкой по России, Казахстану и Беларуси
©2022 PartSell ООО "Система" ИНН 2463123282 ОГРН 1212400004838
Центральный офис: г. Красноярск, Академика Киренского, д.87, пом.4
Телефон: 8 (800) 777-65-74 Email: zakaz@partsell.ru
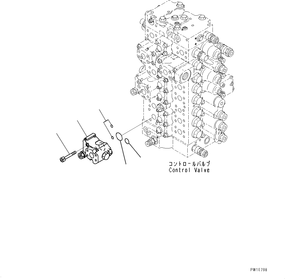
РУКОЯТЬ ГИДРАВЛ DRIFT PREВЕНТИЛЯТОРION КЛАПАН (№7-)
№
Артикул
Название
Примечание
Количество
1
723-40-82701
Valve Assembly
2
01252-61075
Bolt, Hexagon Socket Head
3
07000-13032
O-ring
4
07000-12021
5
702-16-53920
Выбрано товаров: 0