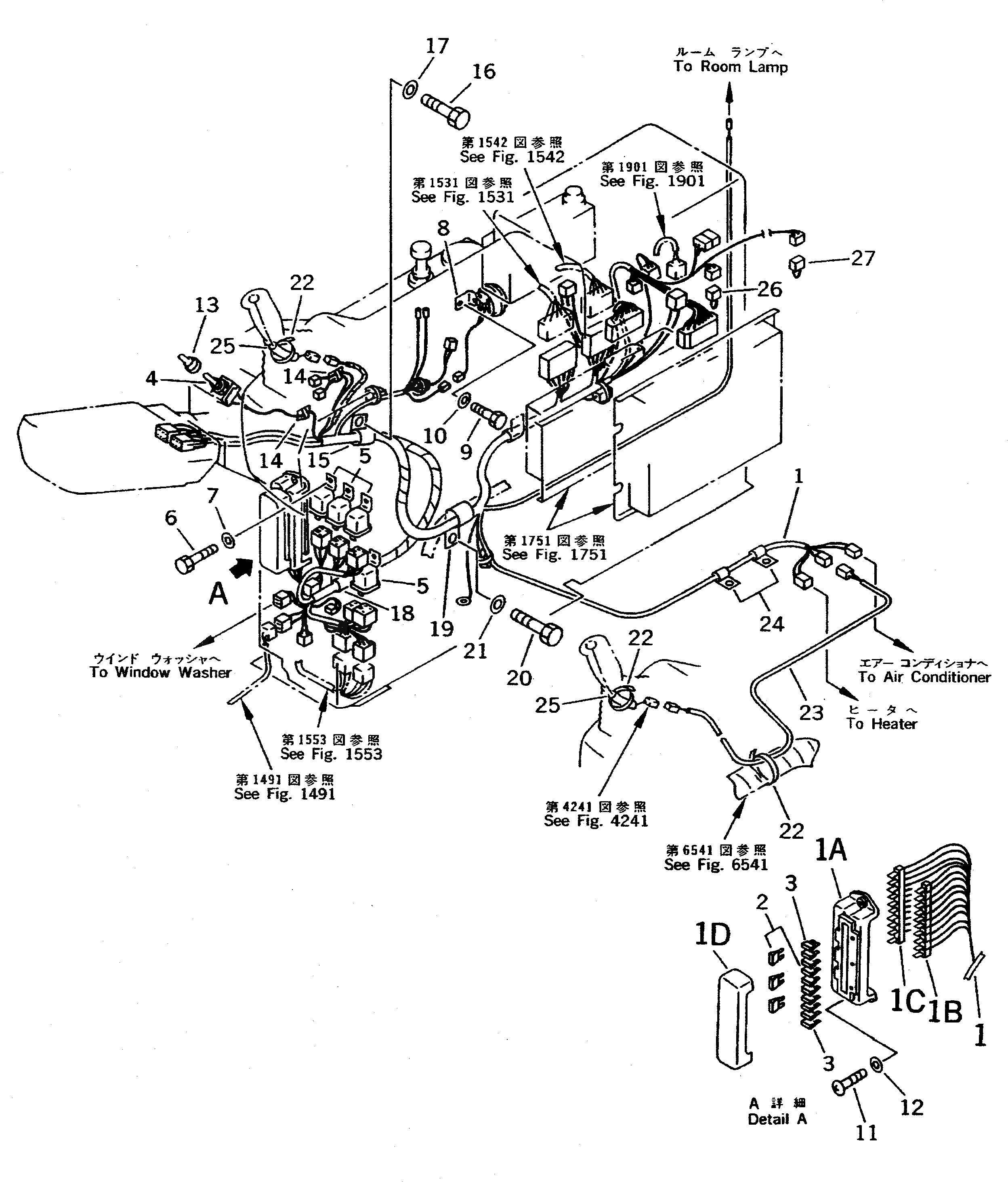
Запчасти Komatsu PC400LC ЭЛЕКТРОПРОВОДКА В КАБИНЕ (ДЛЯ ПАНЕЛЬ СТОЙКА) (ДЛЯ WRIST УПРАВЛ-Е) (EC СПЕЦ-Я.) КОМПОНЕНТЫ ДВИГАТЕЛЯ И ЭЛЕКТРИКА

Схема запчастей Komatsu PC400LC - ЭЛЕКТРОПРОВОДКА В КАБИНЕ (ДЛЯ ПАНЕЛЬ СТОЙКА) (ДЛЯ WRIST УПРАВЛ-Е) (EC СПЕЦ-Я.) КОМПОНЕНТЫ ДВИГАТЕЛЯ И ЭЛЕКТРИКА
FIT
1:1
100%

Артикул

Название

Примечание

Количество

1

208-06-52311

WIRING HARNESS

1

208-06-52310

WIRING HARNESS

1A

20Y-06-16280

BOX

1B

283-06-16160

TERMINAL

1C

20Y-06-16290

TERMINAL

1D

195-Z11-2290

COVER

2

205-06-73180

FUSE, 15A

3

283-06-16190

FUSE, 10A

4

23S-06-14410

SWITCH

5

22W-06-13450

RELAY ASS'Y

6

01010-50612

BOLT

7

01643-30623

WASHER

8

203-06-56230

BUZZER ASS'Y

9

01010-50610

BOLT

10

01643-30623

WASHER

11

01220-40616

SCREW

12

01642-20608

WASHER

13

203-06-41680

CAP

14

08051-00801

CLIP

15

08036-01814

CLIP

16

01010-51220

BOLT

17

01643-31232

WASHER

18

08036-01814

CLIP

19

208-06-19170

CLIP

20

01010-51220

BOLT

21

01643-31232

WASHER

22

08034-00823

BAND

23

20Y-06-16380

WIRING HARNESS

24

08036-01214

CLIP

25

20Y-06-16620

PROTECTOR

26

206-06-58280

CONNECTOR

27

206-06-58290

CONNECTOR

Выбрано товаров: 32