Запчасти Komatsu PC400LC МАРКИРОВКА (КАБИНА ) (ФРАНЦИЯ) МАРКИРОВКА¤ ИНСТРУМЕНТ И РЕМКОМПЛЕКТЫ

Схема запчастей Komatsu PC400LC - МАРКИРОВКА (КАБИНА ) (ФРАНЦИЯ) МАРКИРОВКА¤ ИНСТРУМЕНТ И РЕМКОМПЛЕКТЫ
FIT
1:1
100%

Артикул

Название

Примечание

Количество

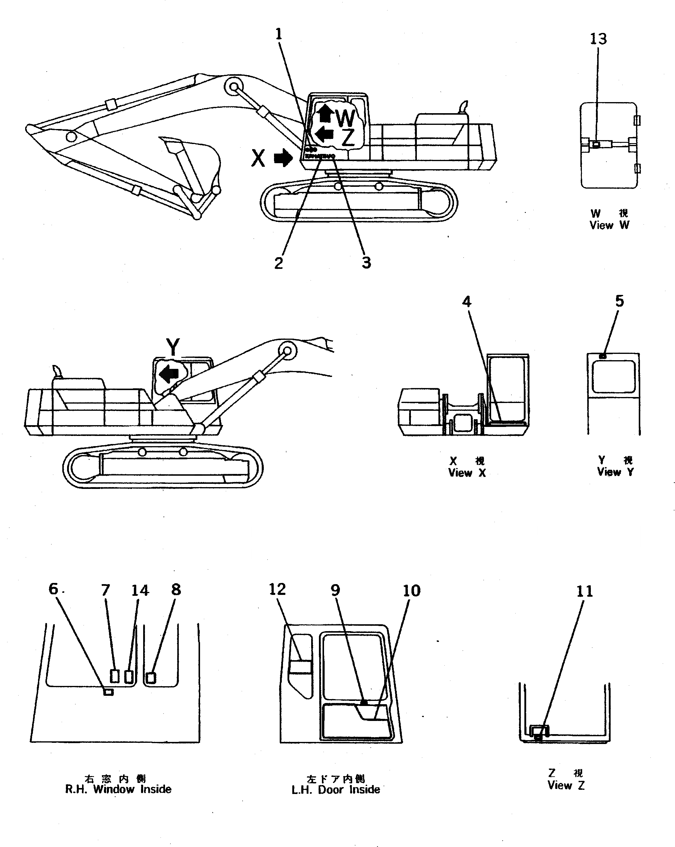
1

09694-50160

PLATE, MARK

2

09690-C0315

PLATE, MARK

2

09690-50500

PLATE, MARK

3

20Y-00-11350

PLATE

4

20Y-00-11490

PLATE

5

205-00-63890

PLATE

6

203-916-5730

PLATE, OPERATING,(FOR BACKHOE)

6

208-72-57280

PLATE, OPERATING,(FOR LOADER)

7

20Y-00-12550

PLATE, CAUTION

8

205-00-71620

PLATE, CAUTION

9

205-00-71340

PLATE, OPERATING

G-1

207-54-X1570

OPERATOR'S CAB GROUP

G-2

207-54-X1670

OPERATOR'S CAB GROUP

10

20Y-54-14670

COVER

10

20Y-54-14560

CLIP ASS'Y

11

20Y-00-12430

PLATE, CAUTION

12

208-00-51260

PLATE, CAUTION,SLING POSITION

13

205-00-63980

PLATE, SAFETY

14

20Y-00-12540

PLATE, CAUTION

Выбрано товаров: 19