Качественные детали и логистика
Оригинальные и аналоговые запчасти с доставкой по России, Казахстану и Беларуси
©2022 PartSell ООО "Система" ИНН 2463123282 ОГРН 1212400004838
Центральный офис: г. Красноярск, Академика Киренского, д.87, пом.4
Телефон: 8 (800) 777-65-74 Email: zakaz@partsell.ru
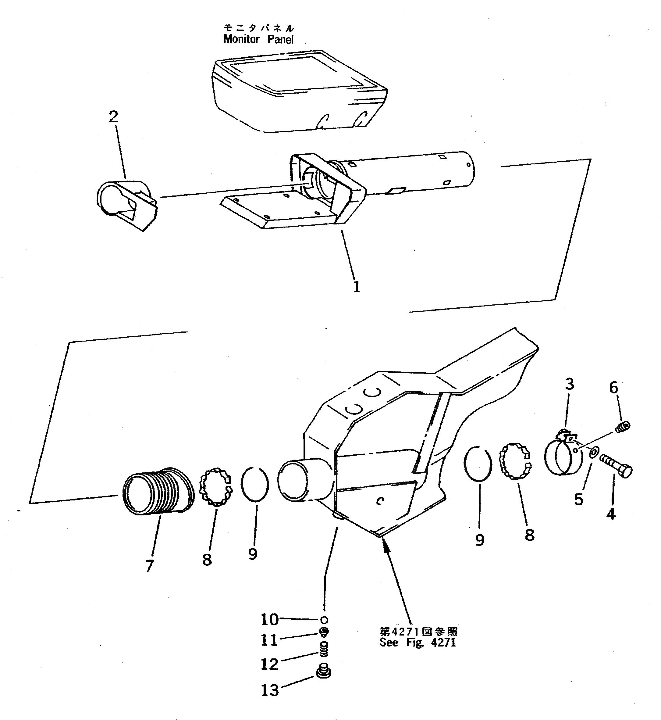
ПАНЕЛЬ МОНИТОРА КОРПУС (ДЛЯ WRIST УПРАВЛ-Е)
№
Артикул
Название
Примечание
Количество
G-1
207-43-X3000
CONTROL GROUP
1
20Y-06-16122
BRACKET
2
20Y-06-16470
GROMMET
3
20Y-06-16131
BAND
4
01010-50820
BOLT
5
01643-30823
WASHER
6
20Y-06-16460
SCREW
7
20Y-06-16140
BOOT
8
20Y-06-16160
SPRING
9
20Y-06-16550
RING, 1.8MM,(FOR ADJUSTING)
20Y-06-16530
RING, 2.0MM,(FOR ADJUSTING)
20Y-06-16440
RING, 2.3MM,(FOR ADJUSTING)
10
04260-00793
BALL
11
20Y-06-16150
SUPPORT
12
20Y-06-16450
13
07040-11007
PLUG
Выбрано товаров: 0