Запчасти Komatsu PC400LCSE-8R ОХЛАЖД-Е (COVER) C

Схема запчастей Komatsu PC400LCSE-8R - ОХЛАЖД-Е (COVER) C
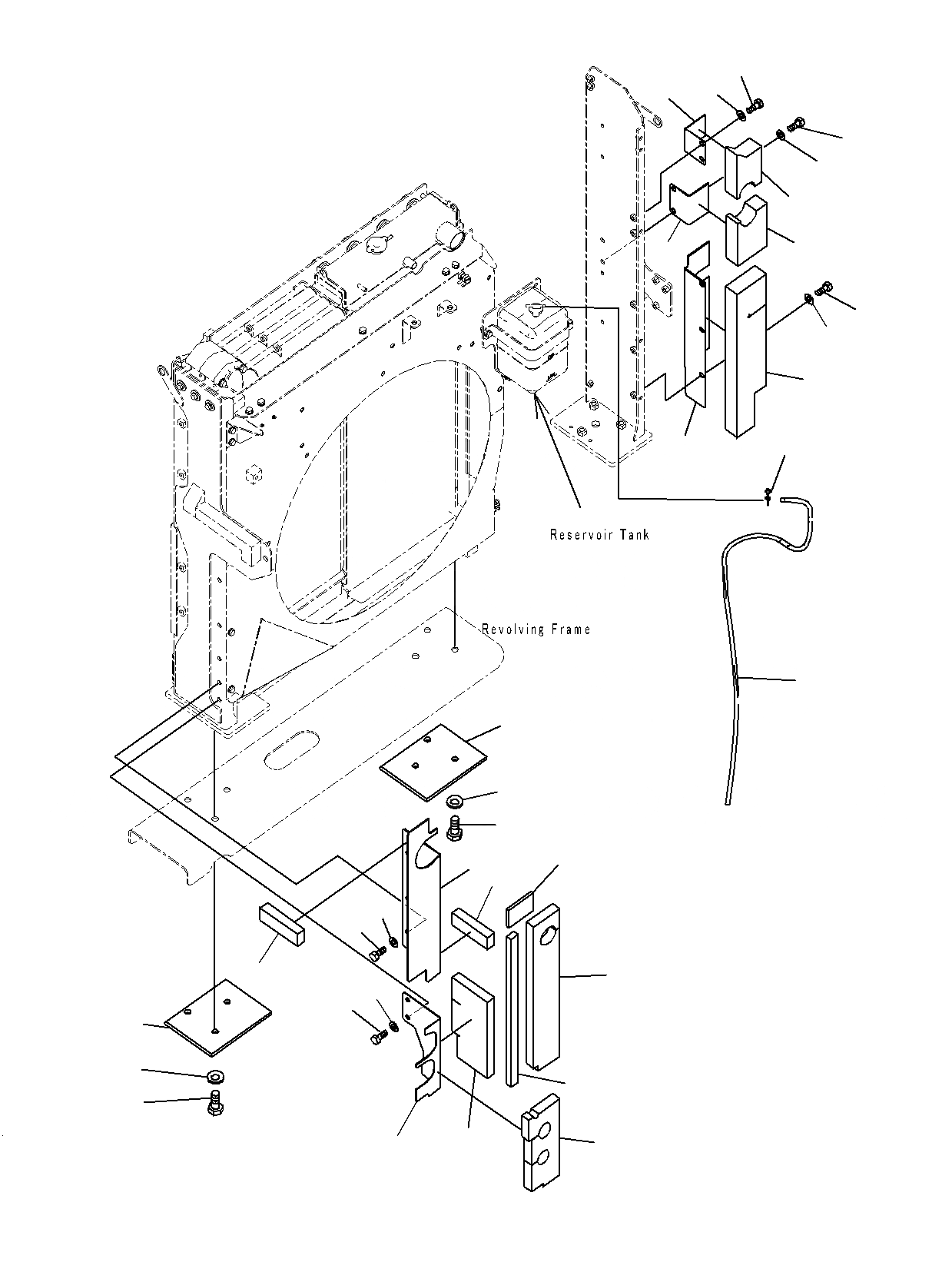
14
17
16
21
20
18
15
19
24
25
23
27
22
26
28
31
30
1
4
3
5
6
10
11
9
12
13
7
8
2
29
31
30
FIT
1:1
100%

Артикул

Название

Примечание

Количество

|$1

208-46-73730

PLATE

1

208-03-77160

COVER

2

208-03-71580

SEAL

3

208-03-71610

SEAL

4

208-03-71670

SEAL

5

208-03-75640

SEAL

6

208-03-77170

SEAL

7

01010-81225

BOLT

8

01643-31232

WASHER

9

208-03-77180

COVER

10

208-03-75840

SEAL

11

208-03-77190

SEAL

12

01010-81225

BOLT

13

01643-31232

WASHER

14

208-03-75711

COVER

15

208-03-75721

SEAL

16

01010-81225

BOLT

17

01643-31232

WASHER

18

208-03-77210

COVER

19

208-03-77220

SEAL

20

01010-81225

BOLT

21

01643-31232

WASHER

22

208-03-75751

COVER

23

208-03-75761

SEAL

24

01010-81225

BOLT

25

01643-31232

WASHER

26

208-03-58310

HOSE

27

206-03-43340

CLIP

28

208-46-73720

PLATE

29

208-46-73730

PLATE

30

01010-81655

BOLT

|$32

01010-81650

BOLT

|$33

01010-81640

BOLT

31

01643-31645

WASHER

Выбрано товаров: 34