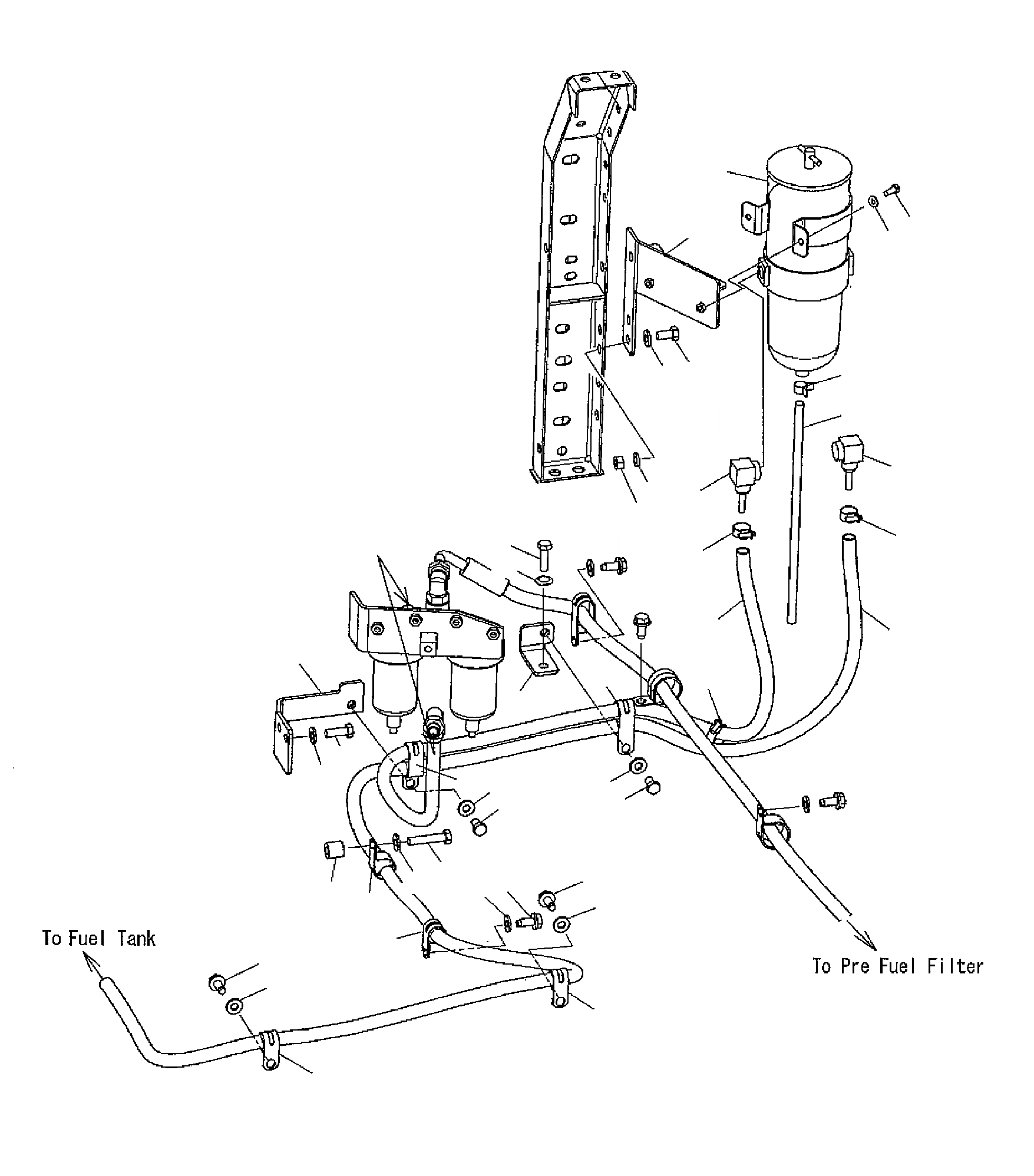
Запчасти Komatsu PC400LCSE-8R ДОПОЛН. ТОПЛИВН. ФИЛЬТР. (ТОПЛИВН. ЛИНИЯ) D

Схема запчастей Komatsu PC400LCSE-8R - ДОПОЛН. ТОПЛИВН. ФИЛЬТР. (ТОПЛИВН. ЛИНИЯ) D
16
15
1
4
14
5
6
7
2
2
16
17
3
22
3
23
8
9
18
24
10
21
19
20
24
26
26
25
25
29
12
12
30
13
27
13
28
11
12
13
11
11
FIT
1:1
100%

Артикул

Название

Примечание

Количество

1

208-04-J1320

FUEL FILTER

2

208-04-J1380

ELBOW

3

07281-00359

CLAMP

4

01010-80820

BOLT

5

01643-31023

WASHER

6

07270-00835

TUBE

7

07285-00100

CLIP

8

208-04-J1331

HOSE

9

208-04-J1341

HOSE

10

08034-20519

BAND

11

04434-52712

CLIP

12

01010-81225

BOLT

13

01643-31232

WASHER

14

208-04-J1350

BRACKET

15

01010-81225

BOLT

16

01643-31232

WASHER

17

01580-01210

NUT

18

208-04-J1360

BRACKET

19

01010-81245

BOLT

20

01643-31232

WASHER

21

208-04-J1370

BRACKET

22

01010-81230

BOLT

23

01643-31232

WASHER

24

421-07-11550

CLIP

|$25

562-06-15180

CLIP

25

01010-81220

BOLT

26

01643-31232

WASHER

27

195-33-11220

SPACER

28

04434-52712

CLIP

29

01010-81260

BOLT

30

01643-31232

WASHER

Выбрано товаров: 31