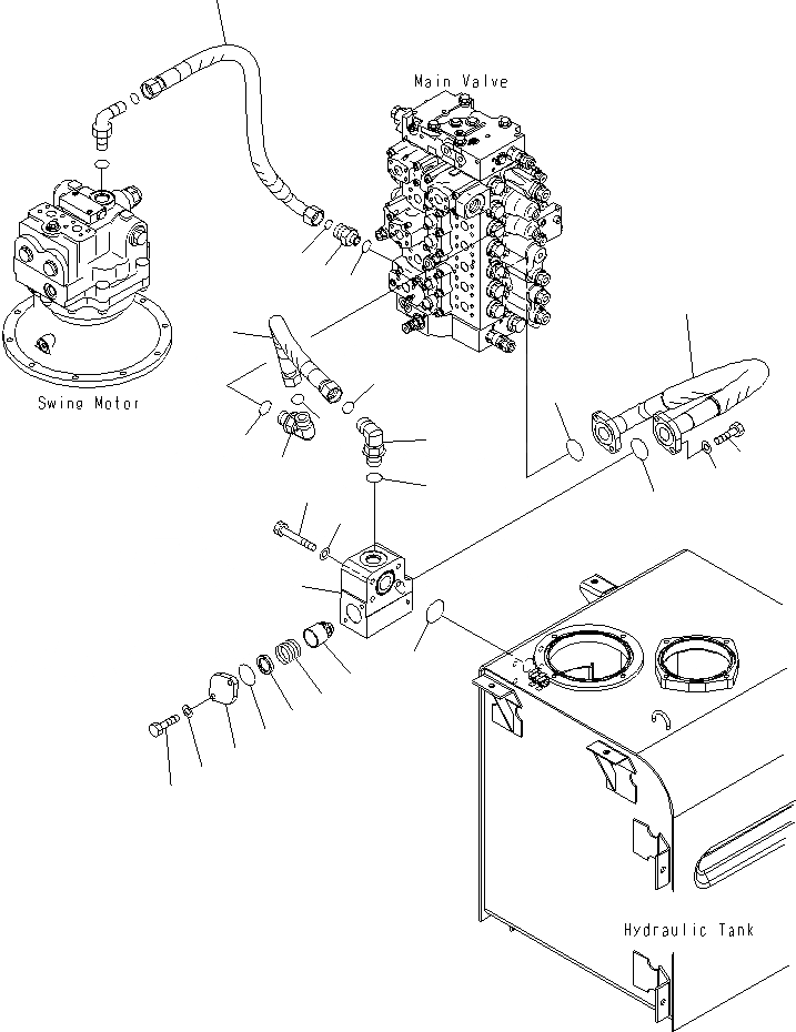
Запчасти Komatsu PC400LCSE-8R ВОЗВРАТ. ЛИНИЯ H

Схема запчастей Komatsu PC400LCSE-8R - ВОЗВРАТ. ЛИНИЯ H
5
7
6
8
1
12
10
2
9
11
3
9
4
11
22
2
23
13
21
14
15
16
18
17
20
19
10
FIT
1:1
100%

Артикул

Название

Примечание

Количество

1

208-62-71240

HOSE, 1250MM

2

07000-13048

O-RING

3

01010-81240

BOLT

4

01643-31232

WASHER

5

208-62-71370

HOSE, 1100MM

6

20U-62-41810

NIPPLE

7

207-62-64740

O-RING

8

07002-12434

O-RING

9

21W-62-42640

ELBOW

10

207-62-64740

O-RING

11

07002-13334

O-RING

12

208-62-71380

HOSE, 650MM

13

208-62-71410

BLOCK

14

205-60-71230

POPPET

15

706-76-71190

SPRING

16

207-60-51170

SPACER

17

208-62-71420

FLANGE

18

07000-12060

O-RING

19

01010-81235

BOLT

20

01643-31232

WASHER

21

07000-12060

O-RING

22

01010-81290

BOLT

23

01643-31232

WASHER

Выбрано товаров: 23